capteurs à ultrasons utilisés pour les systèmes de sonar dans l'eau
Capteur de mesure de distance à ultrasons électrostatiques haute puissance
Méthode de partage pour un véhicule aérien sans pilote équipé d'un transducteur à ultrasons
Le principe de la technologie des drones et de la technologie de variété ultrasonique
Développement d'un transducteur à ultrasons concentré sur une intensité à haute intensité
| État de disponibilité: | |
|---|---|
| Quantité: | |
Pha-100-02pe-f
Piezohannas
PHA-100-02PE-F
Transducteur à ultrasons à 100 kHz Mesure de distance de 2 m pour la jauge de niveau ultrasonique
Paramètres techniques:
Articles | Paramètres techniques | Image | |
Nom | Transducteur anti-corrosif de 100 kHz |
| |
Modèle | PHA-100-02pe-f | ||
La fréquence | 100KHz ±5% | ||
Distance de détection | 0.15~2m | ||
LMEDANCE PARALLEMENT | 700Ω ± 20% | ||
2100pf ± 20%@ 1khz | |||
Sensibilité | Pas de tension de conduite de chargement:300VPP,Distance:03m, Écho amplitude:40mv | ||
-40~+ 80 ℃ | |||
≤3Kilos ou 0,3 MPA | |||
Matériel de logement | PVDF | ||
usage | Gauge de niveau à ultrasons, surveillance, anticollision, sécurité | ||
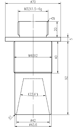
Voir le dessin de la structure du produit pour plus de détails | |||
Niveau de protection | IP68 | ||
Lester | 755g ± 5% (longueur de fil::10m) | ||
Instructions de câblage | (quatre lignes): rouge: transducteur +, blanc: transducteur -, bleu, noir: fil de capteur de température (MF58); (trois fils): rouge: transducteur +, bleu: capteur de température +, noir: public -; | ||
Courbe d'admission | Diagramme de structure de produit | ||
| |||
Schéma de bloc de transducteur à distance à ultrasons :
Schéma du capteur de température schématique (Modèle: MF58_502F3470):
Instruction de câble de type intégré:
1.Censeignement de violation du transducteur: Interface (3pin, terminal 2,54 mm)
Rouge: transducteur +
Blanc: transducteur -
Noir: protéger
2.Les instructions du capteur de température: Interface (3pin, terminal de 2,0 mm)
Le rouge et le noir sont le câblage du capteur de température
Type de division: câble standard de 10 m, avec chaque 50 m de câble supplémentaire, l'atténuation du signal est de 6 dB
Instructions de câblage à trois cœurs:
Rouge: transducteur +
Bleu: capteur de température +
Noir: public-
Instructions de câblage à quatre cœurs:
Rouge: transducteur +
Jaune: transducteur-
Bleu, noir: capteur de température
Qu'est-ce qui se passe dans la fabrication d'un transducteur?
Le composant principal d'un transducteur de profondeur est l'élément piézocéramique. C'est la partie qui convertit les impulsions électriques en ondes sonores, et lorsque le Les échos reviennent, l'élément piézocéramique convertit les ondes sonores en énergie électrique. Les éléments piézocéramiques sont le plus souvent sous forme de disque, mais ils peuvent également avoir la forme d'une barre ou d'un anneau. Un transducteur peut contenir un élément ou une série d'éléments liés ensemble appelés un tableau. UN Le transducteur est composé de six composants distincts:
En ultrasons sans contact Mesure du niveau, le capteur émet des impulsions ultrasoniques dans le sens du milieu, qui les reflète ensuite. Le temps écoulé de l'émission à la réception des signaux est proportionnel au niveau du réservoir. Les capteurs à ultrasons sont idéaux pour des applications standard simples, à la fois pour liquides et pour solides.
Transducteur à ultrasons à 100 kHz Mesure de distance de 2 m pour la jauge de niveau ultrasonique
Paramètres techniques:
Articles | Paramètres techniques | Image | |
Nom | Transducteur anti-corrosif de 100 kHz |
| |
Modèle | PHA-100-02pe-f | ||
La fréquence | 100KHz ±5% | ||
Distance de détection | 0.15~2m | ||
LMEDANCE PARALLEMENT | 700Ω ± 20% | ||
2100pf ± 20%@ 1khz | |||
Sensibilité | Pas de tension de conduite de chargement:300VPP,Distance:03m, Écho amplitude:40mv | ||
-40~+ 80 ℃ | |||
≤3Kilos ou 0,3 MPA | |||
Matériel de logement | PVDF | ||
usage | Gauge de niveau à ultrasons, surveillance, anticollision, sécurité | ||
Voir le dessin de la structure du produit pour plus de détails | |||
Niveau de protection | IP68 | ||
Lester | 755g ± 5% (longueur de fil::10m) | ||
Instructions de câblage | (quatre lignes): rouge: transducteur +, blanc: transducteur -, bleu, noir: fil de capteur de température (MF58); (trois fils): rouge: transducteur +, bleu: capteur de température +, noir: public -; | ||
Courbe d'admission | Diagramme de structure de produit | ||
| |||
Schéma de bloc de transducteur à distance à ultrasons :
Schéma du capteur de température schématique (Modèle: MF58_502F3470):
Instruction de câble de type intégré:
1.Censeignement de violation du transducteur: Interface (3pin, terminal 2,54 mm)
Rouge: transducteur +
Blanc: transducteur -
Noir: protéger
2.Les instructions du capteur de température: Interface (3pin, terminal de 2,0 mm)
Le rouge et le noir sont le câblage du capteur de température
Type de division: câble standard de 10 m, avec chaque 50 m de câble supplémentaire, l'atténuation du signal est de 6 dB
Instructions de câblage à trois cœurs:
Rouge: transducteur +
Bleu: capteur de température +
Noir: public-
Instructions de câblage à quatre cœurs:
Rouge: transducteur +
Jaune: transducteur-
Bleu, noir: capteur de température
Qu'est-ce qui se passe dans la fabrication d'un transducteur?
Le composant principal d'un transducteur de profondeur est l'élément piézocéramique. C'est la partie qui convertit les impulsions électriques en ondes sonores, et lorsque le Les échos reviennent, l'élément piézocéramique convertit les ondes sonores en énergie électrique. Les éléments piézocéramiques sont le plus souvent sous forme de disque, mais ils peuvent également avoir la forme d'une barre ou d'un anneau. Un transducteur peut contenir un élément ou une série d'éléments liés ensemble appelés un tableau. UN Le transducteur est composé de six composants distincts:
En ultrasons sans contact Mesure du niveau, le capteur émet des impulsions ultrasoniques dans le sens du milieu, qui les reflète ensuite. Le temps écoulé de l'émission à la réception des signaux est proportionnel au niveau du réservoir. Les capteurs à ultrasons sont idéaux pour des applications standard simples, à la fois pour liquides et pour solides.