capteurs à ultrasons utilisés pour les systèmes de sonar dans l'eau
Capteur de mesure de distance à ultrasons électrostatiques haute puissance
Méthode de partage pour un véhicule aérien sans pilote équipé d'un transducteur à ultrasons
Le principe de la technologie des drones et de la technologie de variété ultrasonique
Développement d'un transducteur à ultrasons concentré sur une intensité à haute intensité
| État de disponibilité: | |
|---|---|
| Quantité: | |
Phau-200-01ca
Piezohannas
PHAU-200-01CA
200 kHz de boîtier en PVDF Transducteur de débit de gaz ultrasonique pour le compteur de gaz à ultrasons
Paramètres techniques:
Articles | Paramètres techniques | Image | |
Nom | 200 kHztransducteur à ultrasons |
| |
Modèle | PHAU-200-01Californie | ||
La fréquence | 200khz±5% | ||
Distance de détection | 0.10~1m | ||
LMEDANCE PARALLEMENT | 300Ω ±20% | ||
850PF±20%@ 1khz | |||
Sensibilité | NonCharge Dfléchirvoltage::200VPP,Distance:0,3 m, Écho amplitude:5mv | ||
-40~+80℃ | |||
≤16Kilos ou 1.6MPA | |||
(Largeur de faisceau) Largeur du faisceau de demi-puissance@ -3db:10.1° ±dix%, Angle aigu:23.9° ±dix% | |||
Matériel de logement | alliage de titane | ||
usage | débitmètre de gaz à ultrasons | ||
Niveau de protection | IP68 | ||
Lester | 24.2g±5% (longueur de fil:80cm) | ||
Instructions de câblage | Interface: rouge: transducteur +, blanc: transducteur -, noir: fil blindé, (le capteur de température est facultatif) | ||
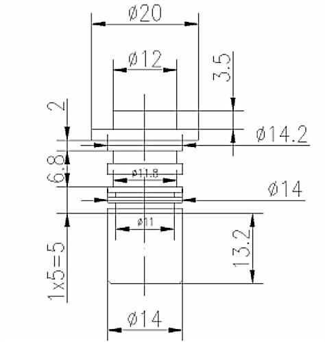
Courbe d'admission | Diagramme de structure de produit | ||
|
| ||
Schéma de bloc de transducteur à distance à ultrasons :
Schéma du capteur de température schématique (Modèle: MF58_502F3470):
Instruction de câble de type intégré:
1.Censeignement de violation du transducteur: Interface (3pin, terminal 2,54 mm)
Rouge: transducteur +
Blanc: transducteur -
Noir: protéger
2.Les instructions du capteur de température: Interface (3pin, terminal de 2,0 mm)
Le rouge et le noir sont le câblage du capteur de température
Type de division: câble standard de 10 m, avec chaque 50 m de câble supplémentaire, l'atténuation du signal est de 6 dB
Instructions de câblage à trois cœurs:
Rouge: transducteur +
Bleu: capteur de température +
Noir: public-
Instructions de câblage à quatre cœurs:
Rouge: transducteur +
Jaune: transducteur-
Bleu, noir: capteur de température
Application pour Débit de gaz à ultrasons:
Industriel débitmètres à gaz Sont largement utilisés pour les applications liquides et en eau, il a longtemps été admis que la colmormètre de la technologie du débitmètre ne pouvait pas être appliquée à la mesure du débit de gaz de masse principalement en raison de limites de mesure théoriques fondamentales. L'énergie sonore transmise est reçue par les transducteurs ultrasoniques traditionnels. Cependant, les progrès de la pince sur la technologie et le traitement de la mesure du débit de gaz ont signifié que malgré des niveaux d'impédance acoustique plus faibles et des niveaux d'atténuation plus élevés dans la plupart des gaz, une pince sur le flux de gaz peut désormais mesurer les temps de transit dans les gaz où les rapports signal / bruit sont extrêmement bas. Il est maintenant possible de mesurer gaz naturel, vapeur, air comprimé, hydrogène, air comprimé et beaucoup d'autres utilisant une pince sur les débitmètres.
200 kHz de boîtier en PVDF Transducteur de débit de gaz ultrasonique pour le compteur de gaz à ultrasons
Paramètres techniques:
Articles | Paramètres techniques | Image | |
Nom | 200 kHztransducteur à ultrasons |
| |
Modèle | PHAU-200-01Californie | ||
La fréquence | 200khz±5% | ||
Distance de détection | 0.10~1m | ||
LMEDANCE PARALLEMENT | 300Ω ±20% | ||
850PF±20%@ 1khz | |||
Sensibilité | NonCharge Dfléchirvoltage::200VPP,Distance:0,3 m, Écho amplitude:5mv | ||
-40~+80℃ | |||
≤16Kilos ou 1.6MPA | |||
(Largeur de faisceau) Largeur du faisceau de demi-puissance@ -3db:10.1° ±dix%, Angle aigu:23.9° ±dix% | |||
Matériel de logement | alliage de titane | ||
usage | débitmètre de gaz à ultrasons | ||
Niveau de protection | IP68 | ||
Lester | 24.2g±5% (longueur de fil:80cm) | ||
Instructions de câblage | Interface: rouge: transducteur +, blanc: transducteur -, noir: fil blindé, (le capteur de température est facultatif) | ||
Courbe d'admission | Diagramme de structure de produit | ||
|
| ||
Schéma de bloc de transducteur à distance à ultrasons :
Schéma du capteur de température schématique (Modèle: MF58_502F3470):
Instruction de câble de type intégré:
1.Censeignement de violation du transducteur: Interface (3pin, terminal 2,54 mm)
Rouge: transducteur +
Blanc: transducteur -
Noir: protéger
2.Les instructions du capteur de température: Interface (3pin, terminal de 2,0 mm)
Le rouge et le noir sont le câblage du capteur de température
Type de division: câble standard de 10 m, avec chaque 50 m de câble supplémentaire, l'atténuation du signal est de 6 dB
Instructions de câblage à trois cœurs:
Rouge: transducteur +
Bleu: capteur de température +
Noir: public-
Instructions de câblage à quatre cœurs:
Rouge: transducteur +
Jaune: transducteur-
Bleu, noir: capteur de température
Application pour Débit de gaz à ultrasons:
Industriel débitmètres à gaz Sont largement utilisés pour les applications liquides et en eau, il a longtemps été admis que la colmormètre de la technologie du débitmètre ne pouvait pas être appliquée à la mesure du débit de gaz de masse principalement en raison de limites de mesure théoriques fondamentales. L'énergie sonore transmise est reçue par les transducteurs ultrasoniques traditionnels. Cependant, les progrès de la pince sur la technologie et le traitement de la mesure du débit de gaz ont signifié que malgré des niveaux d'impédance acoustique plus faibles et des niveaux d'atténuation plus élevés dans la plupart des gaz, une pince sur le flux de gaz peut désormais mesurer les temps de transit dans les gaz où les rapports signal / bruit sont extrêmement bas. Il est maintenant possible de mesurer gaz naturel, vapeur, air comprimé, hydrogène, air comprimé et beaucoup d'autres utilisant une pince sur les débitmètres.