capteurs à ultrasons utilisés pour les systèmes de sonar dans l'eau
Capteur de mesure de distance à ultrasons électrostatiques haute puissance
Méthode de partage pour un véhicule aérien sans pilote équipé d'un transducteur à ultrasons
Le principe de la technologie des drones et de la technologie de variété ultrasonique
Développement d'un transducteur à ultrasons concentré sur une intensité à haute intensité
| État de disponibilité: | |
|---|---|
| Quantité: | |
PHA-200-01I
Piezohannas
PHA-200-01I
Transducteur à ultrasons en alliage en alliage en titane de 200 kHz pour la mesure du débit de gaz
Paramètres techniques:
Articles | Paramètres techniques | Image | |
Nom | 200 kHz Transducteur à ultrasons | | |
Modèle | PHA-200-01I | ||
La fréquence | 200 kHz ±5% | ||
Distance de détection | 0.10~1,5 m | ||
Le minimum LMEDANCE parallèle | 1900Ω ± 20% | ||
320pf ± 20%@ 1khz | |||
Sensibilité | Tension de conduite:800VPP,Distance:0,3 m, Écho amplitude:mv | ||
-40~+ 80 ℃ | |||
≤16kilos ou 1.6MPA | |||
| (Largeur de faisceau) Largeur du faisceau de demi-puissance @ -3db: 6 ° ±dix%, Angle tranchant: 15 ° ±dix% | ||
Logement Matériel | alliage de titane | ||
Usage | débitmètre de gaz à ultrasons | ||
Niveau de protection | IP68 | ||
Lester | 32g ± 5% (Longueur:20 cm) | ||
Instruction de câblage | Interface intégrée:Rouge +,Blanc-,Noir: fil blindé ( Le capteur de température est facultatif) | ||
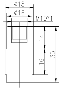
Courbe d'admission | Diagramme de structure de produit | ||
| | ||
Schéma de bloc de transducteur à distance à ultrasons :
Schéma du capteur de température schématique (Modèle: MF58_502F3470):
Instruction de câble de type intégré:
1.Censeignement de violation du transducteur: Interface (3pin, terminal 2,54 mm)
Rouge: transducteur +
Blanc: transducteur -
Noir: protéger
2.Les instructions du capteur de température: Interface (3pin, terminal de 2,0 mm)
Le rouge et le noir sont le câblage du capteur de température
Type de division: câble standard de 10 m, avec chaque 50 m de câble supplémentaire, l'atténuation du signal est de 6 dB
Instructions de câblage à trois cœurs:
Rouge: transducteur +
Bleu: capteur de température +
Noir: public-
Instructions de câblage à quatre cœurs:
Rouge: transducteur +
Jaune: transducteur-
Bleu, noir: capteur de température
Application pour Débit de gaz à ultrasons:
Bien que les débitmètres de gaz industriels soient largement utilisés pour les applications de liquide et d'eau, il a longtemps été admis que la technologie de la technologie du débitmètre de gaz ne pouvait pas être appliquée à la mesure du débit de gaz de masse principalement en raison de limites de mesure théoriques fondamentales. L'énergie sonore transmise est reçue par les transducteurs ultrasoniques traditionnels. Cependant, les progrès de la pince sur la technologie et le traitement de la mesure du débit de gaz ont signifié que malgré des niveaux d'impédance acoustique plus faibles et des niveaux d'atténuation plus élevés dans la plupart des gaz, une pince sur le flux de gaz peut désormais mesurer les temps de transit dans les gaz où les rapports signal / bruit sont extrêmement bas. Il est désormais possible de mesurer le gaz naturel, la vapeur, l'air comprimé, l'hydrogène, l'air comprimé et bien d'autres en utilisant une pince sur les débitmètres.Une pince sur un débitmètre de gaz ultrasonique produit des signaux de cinq à dix fois plus puissants que ceux des transducteurs à ultrasons traditionnels . La nouvelle pince sur les transducteurs produit des signaux codés propres avec un bruit de fond très minimal. Le résultat est qu'une pince sur le flux de gaz peut désormais fournir des performances optimales même avec des applications de gaz à basse densité.
Transducteur à ultrasons en alliage en alliage en titane de 200 kHz pour la mesure du débit de gaz
Paramètres techniques:
Articles | Paramètres techniques | Image | |
Nom | 200 kHz Transducteur à ultrasons | | |
Modèle | PHA-200-01I | ||
La fréquence | 200 kHz ±5% | ||
Distance de détection | 0.10~1,5 m | ||
Le minimum LMEDANCE parallèle | 1900Ω ± 20% | ||
320pf ± 20%@ 1khz | |||
Sensibilité | Tension de conduite:800VPP,Distance:0,3 m, Écho amplitude:mv | ||
-40~+ 80 ℃ | |||
≤16kilos ou 1.6MPA | |||
| (Largeur de faisceau) Largeur du faisceau de demi-puissance @ -3db: 6 ° ±dix%, Angle tranchant: 15 ° ±dix% | ||
Logement Matériel | alliage de titane | ||
Usage | débitmètre de gaz à ultrasons | ||
Niveau de protection | IP68 | ||
Lester | 32g ± 5% (Longueur:20 cm) | ||
Instruction de câblage | Interface intégrée:Rouge +,Blanc-,Noir: fil blindé ( Le capteur de température est facultatif) | ||
Courbe d'admission | Diagramme de structure de produit | ||
| | ||
Schéma de bloc de transducteur à distance à ultrasons :
Schéma du capteur de température schématique (Modèle: MF58_502F3470):
Instruction de câble de type intégré:
1.Censeignement de violation du transducteur: Interface (3pin, terminal 2,54 mm)
Rouge: transducteur +
Blanc: transducteur -
Noir: protéger
2.Les instructions du capteur de température: Interface (3pin, terminal de 2,0 mm)
Le rouge et le noir sont le câblage du capteur de température
Type de division: câble standard de 10 m, avec chaque 50 m de câble supplémentaire, l'atténuation du signal est de 6 dB
Instructions de câblage à trois cœurs:
Rouge: transducteur +
Bleu: capteur de température +
Noir: public-
Instructions de câblage à quatre cœurs:
Rouge: transducteur +
Jaune: transducteur-
Bleu, noir: capteur de température
Application pour Débit de gaz à ultrasons:
Bien que les débitmètres de gaz industriels soient largement utilisés pour les applications de liquide et d'eau, il a longtemps été admis que la technologie de la technologie du débitmètre de gaz ne pouvait pas être appliquée à la mesure du débit de gaz de masse principalement en raison de limites de mesure théoriques fondamentales. L'énergie sonore transmise est reçue par les transducteurs ultrasoniques traditionnels. Cependant, les progrès de la pince sur la technologie et le traitement de la mesure du débit de gaz ont signifié que malgré des niveaux d'impédance acoustique plus faibles et des niveaux d'atténuation plus élevés dans la plupart des gaz, une pince sur le flux de gaz peut désormais mesurer les temps de transit dans les gaz où les rapports signal / bruit sont extrêmement bas. Il est désormais possible de mesurer le gaz naturel, la vapeur, l'air comprimé, l'hydrogène, l'air comprimé et bien d'autres en utilisant une pince sur les débitmètres.Une pince sur un débitmètre de gaz ultrasonique produit des signaux de cinq à dix fois plus puissants que ceux des transducteurs à ultrasons traditionnels . La nouvelle pince sur les transducteurs produit des signaux codés propres avec un bruit de fond très minimal. Le résultat est qu'une pince sur le flux de gaz peut désormais fournir des performances optimales même avec des applications de gaz à basse densité.