Piezo Hannas (WuHan) Tech Co,.Ltd .- Fournisseur d'éléments piézocéramiques professionnels
Produits
Vous êtes ici: Maison / Des produits / Transducteurs à ultrasons / Transducteur pour compteur de gaz / Transducteur à ultrasons en alliage de titane 200Khz pour débitmètre à gaz à ultrasons
Produits de gros à haute fréquence pour les fabricants et les usines:

Retour d'information

loading

Partager sur:
sharethis sharing button

Transducteur à ultrasons en alliage de titane 200Khz pour débitmètre à gaz à ultrasons

Transducteur à ultrasons pour le flux de gaz à ultrasons
État de disponibilité:
Quantité:
  • Phal-200-01g

  • Piezohannas

  • PHAL-200-01G

 200 kHz Titanium Material Materif


Articles

Paramètres techniques

Image

Nom

Transducteur à ultrasons de 200 kHz

RZ41GQ0 (P7M` CIMLJA [M5R  

Yij44`15659y0sspf] mon] 61  

Modèle

PHAL-200-01G

La fréquence

200KHz ±5%

Distance de détection

0.101,5 m

Le minimum

LMEDANCE parallèle

400Ω ± 20

Capacitance

770pf ± 20@ 1khz

 

Sensibilité

Émission de tension: 800vpp,Distance: 30cm,recevoir et émettre,

Signal de réception: 25  mv

en fonctionnement

Tension

De pointe  Tension1000VPP

en fonctionnement

Température

-40+ 80 ℃

Pression

16Kilos ou  1.6MPA

 

Angle

(Largeur de faisceau)Largeur du faisceau de demi-puissance @ -3db: 8,6 ° ± 2

Angle tranchant: 17,1 ° ± 4

Logement  Matériel

alliage de titane

 

Usage

Débit de gaz ultrasonique

Installation

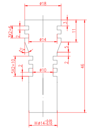
Dimension

personnalisable

Niveau de protection

IP68

Lester

30g ± 5longueur25 cm

Instructions de câblage

integrattype edRouge +Blanc-Noir: fil blindé

 

Courbe d'admission

Diagramme de structure de produit

 

74Z`% 2UOS) 6Z}] 7VW @ VH1R7  

1HQ3M4)% 2AA% EMMJVBZE4LO





sur: 
En vertu d'un: 

Produits chauds

Piezo Hannas (WuHan) Tech Co,.Ltd est un fabricant professionnel de céramiques piézoélectriques et de transducteurs à ultrasons, dédié à la technologie ultrasonique et aux applications industrielles.

RECOMMANDER

NOUS CONTACTER

Ajouter: No.456 Wu Luo Road, district de Wuchang, City Wuhan, province de Hubei, Chine.
E-mail:sales@piezohannas.com
Tél: +86 27 84898868
Téléphone: +86 + 18986196674
QQ: 1553242848
Skype: Live: Mary_14398
Copyright 2017    Piezo Hannas (WuHan) Tech Co,.Ltd.All rights reserved.                     
Des produits