capteurs à ultrasons utilisés pour les systèmes de sonar dans l'eau
Capteur de mesure de distance à ultrasons électrostatiques haute puissance
Méthode de partage pour un véhicule aérien sans pilote équipé d'un transducteur à ultrasons
Le principe de la technologie des drones et de la technologie de variété ultrasonique
Développement d'un transducteur à ultrasons concentré sur une intensité à haute intensité
| État de disponibilité: | |
|---|---|
| Quantité: | |
Pha-200-01kf
Piezohannas
PHA-200-01KF
Transducteur ultrasonique de 200 kHz pour anémorumbomètre à ultrasons
Paramètres techniques:
Articles | Paramètres techniques | Image | |
Nom | 200 kHz transducteur à ultrasons |
| |
Modèle | PHA-200-01KF | ||
La fréquence | 200 kHz ±5% | ||
Distance de détection | 0.10~1,5 m | ||
Le minimum LMEDANCE parallèle | 455Ω ± 20% | ||
1410pf ± 20%@ 1khz | |||
Sensibilité | Tension de conduite:800VPP,Distance:0,3 m, Écho amplitude:30mv | ||
-40~+ 80 ℃ | |||
≤3Kilos ou 0,3 MPA | |||
| (Largeur de faisceau) Largeur du faisceau de demi-puissance@ -3db: 10 ° ±dix%, Angle aigu:24° ±dix% | ||
Logement Matériel | Pom | ||
Usage | anemorumbomètre,ultrasoniqueflowmètre de gaz | ||
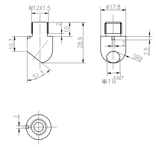
fil de discussion:M12 * 1.5 | |||
Niveau de protection | IP68 | ||
Lester | 10g ± 5% (Lengouffer:25cm) | ||
Instructions de câblage | integrattype ed:connecteur:Rouge +,Blanc-,Noir: fil blindé; | ||
Courbe d'admission | Diagramme de structure de produit | ||
| |||
Schéma de bloc de transducteur à distance à ultrasons :
Schéma du capteur de température schématique (Modèle: MF58_502F3470):
Instruction de câble de type intégré:
1.Censeignement de violation du transducteur: Interface (3pin, terminal 2,54 mm)
Rouge: transducteur +
Blanc: transducteur -
Noir: protéger
2.Les instructions du capteur de température: Interface (3pin, terminal de 2,0 mm)
Le rouge et le noir sont le câblage du capteur de température
Type de division: câble standard de 10 m, avec chaque 50 m de câble supplémentaire, l'atténuation du signal est de 6 dB
Instructions de câblage à trois cœurs:
Rouge: transducteur +
Bleu: capteur de température +
Noir: public-
Instructions de câblage à quatre cœurs:
Rouge: transducteur +
Jaune: transducteur-
Bleu, noir: capteur de température
Image d'application:
Transducteur ultrasonique de 200 kHz pour anémorumbomètre à ultrasons
Paramètres techniques:
Articles | Paramètres techniques | Image | |
Nom | 200 kHz transducteur à ultrasons |
| |
Modèle | PHA-200-01KF | ||
La fréquence | 200 kHz ±5% | ||
Distance de détection | 0.10~1,5 m | ||
Le minimum LMEDANCE parallèle | 455Ω ± 20% | ||
1410pf ± 20%@ 1khz | |||
Sensibilité | Tension de conduite:800VPP,Distance:0,3 m, Écho amplitude:30mv | ||
-40~+ 80 ℃ | |||
≤3Kilos ou 0,3 MPA | |||
| (Largeur de faisceau) Largeur du faisceau de demi-puissance@ -3db: 10 ° ±dix%, Angle aigu:24° ±dix% | ||
Logement Matériel | Pom | ||
Usage | anemorumbomètre,ultrasoniqueflowmètre de gaz | ||
fil de discussion:M12 * 1.5 | |||
Niveau de protection | IP68 | ||
Lester | 10g ± 5% (Lengouffer:25cm) | ||
Instructions de câblage | integrattype ed:connecteur:Rouge +,Blanc-,Noir: fil blindé; | ||
Courbe d'admission | Diagramme de structure de produit | ||
| |||
Schéma de bloc de transducteur à distance à ultrasons :
Schéma du capteur de température schématique (Modèle: MF58_502F3470):
Instruction de câble de type intégré:
1.Censeignement de violation du transducteur: Interface (3pin, terminal 2,54 mm)
Rouge: transducteur +
Blanc: transducteur -
Noir: protéger
2.Les instructions du capteur de température: Interface (3pin, terminal de 2,0 mm)
Le rouge et le noir sont le câblage du capteur de température
Type de division: câble standard de 10 m, avec chaque 50 m de câble supplémentaire, l'atténuation du signal est de 6 dB
Instructions de câblage à trois cœurs:
Rouge: transducteur +
Bleu: capteur de température +
Noir: public-
Instructions de câblage à quatre cœurs:
Rouge: transducteur +
Jaune: transducteur-
Bleu, noir: capteur de température
Image d'application: