capteurs à ultrasons utilisés pour les systèmes de sonar dans l'eau
Capteur de mesure de distance à ultrasons électrostatiques haute puissance
Méthode de partage pour un véhicule aérien sans pilote équipé d'un transducteur à ultrasons
Le principe de la technologie des drones et de la technologie de variété ultrasonique
Développement d'un transducteur à ultrasons concentré sur une intensité à haute intensité
| État de disponibilité: | |
|---|---|
| Quantité: | |
PHA-70-03B
Piezohannas
PHA-70-03B
Mesure de distance du transducteur ultrasonique à 70 kHz pour le capteur de niveau
Paramètres techniques:
Articles | Paramètres techniques | Image | |
Nom | Transducteur à ultrasons à 70 kHz |
| |
Modèle | PHA-70-03B | ||
La fréquence | 70KHz ±5% | ||
Distance de détection | 02~4m | ||
LMEDANCE PARALLEMENT | 500Ω ± 20% | ||
900pf ± 20%@ 1khz | |||
Sensibilité | Pas de charge dfléchirvoltage: 500VPP,Distance:06m、Écho amplitude:50mv | ||
-40~+ 80 ℃ | |||
≤3Kilos ou 0.3MPA | |||
(Largeur de faisceau) Largeur du faisceau de demi-puissance@ -3db:10° ±dix%, Angle aigu:23° ±dix% | |||
Matériel de logement | Pom | ||
usage | Gauge de niveau à ultrasons, surveillance, anticollision, sécurité | ||
Niveau de protection | IP68 | ||
Lester | 50g ± 5% (longueur de fil:20cm) | ||
Instructions de câblage | Interface: rouge: transducteur +, blanc: transducteur -, noir: fil blindé, (capteur de températureest facultatif) | ||
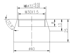
Courbe d'admission | Diagramme de structure de produit | ||
| |||
Schéma de bloc de transducteur à distance à ultrasons :
Schéma du capteur de température schématique (Modèle: MF58_502F3470):
Instruction de câble de type intégré:
1.Censeignement de violation du transducteur: Interface (3pin, terminal 2,54 mm)
Rouge: transducteur +
Blanc: transducteur -
Noir: protéger
2.Les instructions du capteur de température: Interface (3pin, terminal de 2,0 mm)
Le rouge et le noir sont le câblage du capteur de température
Type de division: câble standard de 10 m, avec chaque 50 m de câble supplémentaire, l'atténuation du signal est de 6 dB
Instructions de câblage à trois cœurs:
Rouge: transducteur +
Bleu: capteur de température +
Noir: public-
Instructions de câblage à quatre cœurs:
Rouge: transducteur +
Jaune: transducteur-
Bleu, noir: capteur de température
Qu'est-ce qui se passe dans la fabrication d'un transducteur?
Le composant principal d'un transducteur de profondeur est l'élément piézocéramique. C'est la partie qui convertit les impulsions électriques en ondes sonores, et lorsque le Les échos reviennent, l'élément piézocéramique convertit les ondes sonores en énergie électrique. Les éléments piézocéramiques sont le plus souvent sous forme de disque, mais ils peuvent également avoir la forme d'une barre ou d'un anneau. Un transducteur peut contenir un élément ou une série d'éléments liés ensemble appelés un tableau. UN Le transducteur est composé de six composants distincts:
En ultrasons sans contact Mesure du niveau, le capteur émet des impulsions ultrasoniques dans le sens du milieu, qui les reflète ensuite. Le temps écoulé de l'émission à la réception des signaux est proportionnel au niveau du réservoir. Les capteurs à ultrasons sont idéaux pour des applications standard simples, à la fois pour liquides et pour solides.
Mesure de distance du transducteur ultrasonique à 70 kHz pour le capteur de niveau
Paramètres techniques:
Articles | Paramètres techniques | Image | |
Nom | Transducteur à ultrasons à 70 kHz |
| |
Modèle | PHA-70-03B | ||
La fréquence | 70KHz ±5% | ||
Distance de détection | 02~4m | ||
LMEDANCE PARALLEMENT | 500Ω ± 20% | ||
900pf ± 20%@ 1khz | |||
Sensibilité | Pas de charge dfléchirvoltage: 500VPP,Distance:06m、Écho amplitude:50mv | ||
-40~+ 80 ℃ | |||
≤3Kilos ou 0.3MPA | |||
(Largeur de faisceau) Largeur du faisceau de demi-puissance@ -3db:10° ±dix%, Angle aigu:23° ±dix% | |||
Matériel de logement | Pom | ||
usage | Gauge de niveau à ultrasons, surveillance, anticollision, sécurité | ||
Niveau de protection | IP68 | ||
Lester | 50g ± 5% (longueur de fil:20cm) | ||
Instructions de câblage | Interface: rouge: transducteur +, blanc: transducteur -, noir: fil blindé, (capteur de températureest facultatif) | ||
Courbe d'admission | Diagramme de structure de produit | ||
| |||
Schéma de bloc de transducteur à distance à ultrasons :
Schéma du capteur de température schématique (Modèle: MF58_502F3470):
Instruction de câble de type intégré:
1.Censeignement de violation du transducteur: Interface (3pin, terminal 2,54 mm)
Rouge: transducteur +
Blanc: transducteur -
Noir: protéger
2.Les instructions du capteur de température: Interface (3pin, terminal de 2,0 mm)
Le rouge et le noir sont le câblage du capteur de température
Type de division: câble standard de 10 m, avec chaque 50 m de câble supplémentaire, l'atténuation du signal est de 6 dB
Instructions de câblage à trois cœurs:
Rouge: transducteur +
Bleu: capteur de température +
Noir: public-
Instructions de câblage à quatre cœurs:
Rouge: transducteur +
Jaune: transducteur-
Bleu, noir: capteur de température
Qu'est-ce qui se passe dans la fabrication d'un transducteur?
Le composant principal d'un transducteur de profondeur est l'élément piézocéramique. C'est la partie qui convertit les impulsions électriques en ondes sonores, et lorsque le Les échos reviennent, l'élément piézocéramique convertit les ondes sonores en énergie électrique. Les éléments piézocéramiques sont le plus souvent sous forme de disque, mais ils peuvent également avoir la forme d'une barre ou d'un anneau. Un transducteur peut contenir un élément ou une série d'éléments liés ensemble appelés un tableau. UN Le transducteur est composé de six composants distincts:
En ultrasons sans contact Mesure du niveau, le capteur émet des impulsions ultrasoniques dans le sens du milieu, qui les reflète ensuite. Le temps écoulé de l'émission à la réception des signaux est proportionnel au niveau du réservoir. Les capteurs à ultrasons sont idéaux pour des applications standard simples, à la fois pour liquides et pour solides.