capteurs à ultrasons utilisés pour les systèmes de sonar dans l'eau
Capteur de mesure de distance à ultrasons électrostatiques haute puissance
Méthode de partage pour un véhicule aérien sans pilote équipé d'un transducteur à ultrasons
Le principe de la technologie des drones et de la technologie de variété ultrasonique
Développement d'un transducteur à ultrasons concentré sur une intensité à haute intensité
| État de disponibilité: | |
|---|---|
| Quantité: | |
Pha-200-01xe
Piezohannas
PHA-200-01XE
Mesure de distance du transducteur à ultrasons en alliage en titane pour le débitmètre de gaz à ultrasons
Paramètres techniques:
Articles | Paramètres techniques | Image | |
Nom | Transducteur à ultrasons de 200 kHz |
| |
Modèle | PHA-200-01XE | ||
Atmosphères de gaz explosives | Travailler normalement | ||
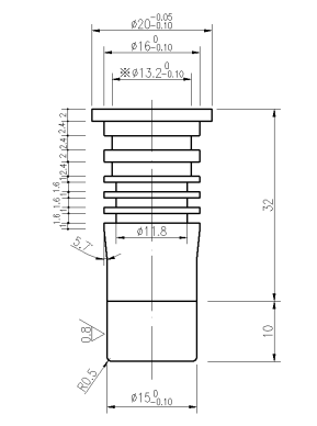
Diamètre de zone active | 15 mm | ||
La fréquence | 195KHz ±5% | ||
Distance de détection | 0.10~1,5 m | ||
LMEDANCE PARALLEMENT | 240Ω ± 20% | ||
1000pf ± 20%@ 1khz | |||
Sensibilité | Pas de charge dfléchirvoltage: 200VPP,Distance:0,3 m, Écho amplitude: 8mv | ||
-40~+ 80 ℃ | |||
16kilos ou 1.6MPA | |||
(Largeur de faisceau) Largeur du faisceau de demi-puissance @ -3db: 7 ° ±dix%, Angle tranchant :: 18 ° ±dix% | |||
Matériel de logement | alliage de titane | ||
usage | débitmètre de gaz à ultrasons | ||
dimension | (Peut être personnalisé en fonction des exigences du client) | ||
Niveau de protection | IP68 | ||
Lester | 30g ± 5% (longueur de fil:20 cm) | ||
Instructions de câblage | Interface: rouge: transducteur +, blanc: transducteur -, noir: fil blindé, (le capteur de température est facultatif) | ||
Courbe d'admission | Diagramme de structure de produit | ||
| |||
Schéma de bloc de transducteur à distance à ultrasons :
Schéma du capteur de température schématique (Modèle: MF58_502F3470):
Instruction de câble de type intégré:
1.Censeignement de violation du transducteur: Interface (3pin, terminal 2,54 mm)
Rouge: transducteur +
Blanc: transducteur -
Noir: protéger
2.Les instructions du capteur de température: Interface (3pin, terminal de 2,0 mm)
Le rouge et le noir sont le câblage du capteur de température
Type de division: câble standard de 10 m, avec chaque 50 m de câble supplémentaire, l'atténuation du signal est de 6 dB
Instructions de câblage à trois cœurs:
Rouge: transducteur +
Bleu: capteur de température +
Noir: public-
Instructions de câblage à quatre cœurs:
Rouge: transducteur +
Jaune: transducteur-
Bleu, noir: capteur de température
Qu'est-ce qui se passe dans la fabrication d'un transducteur?
Le composant principal d'un transducteur de profondeur est l'élément piézocéramique. C'est la partie qui convertit les impulsions électriques en ondes sonores, et lorsque le Les échos reviennent, l'élément piézocéramique convertit les ondes sonores en énergie électrique. Les éléments piézocéramiques sont le plus souvent sous forme de disque, mais ils peuvent également avoir la forme d'une barre ou d'un anneau. Un transducteur peut contenir un élément ou une série d'éléments liés ensemble appelés un tableau. UN Le transducteur est composé de six composants distincts:
Mesure de distance du transducteur à ultrasons en alliage en titane pour le débitmètre de gaz à ultrasons
Paramètres techniques:
Articles | Paramètres techniques | Image | |
Nom | Transducteur à ultrasons de 200 kHz |
| |
Modèle | PHA-200-01XE | ||
Atmosphères de gaz explosives | Travailler normalement | ||
Diamètre de zone active | 15 mm | ||
La fréquence | 195KHz ±5% | ||
Distance de détection | 0.10~1,5 m | ||
LMEDANCE PARALLEMENT | 240Ω ± 20% | ||
1000pf ± 20%@ 1khz | |||
Sensibilité | Pas de charge dfléchirvoltage: 200VPP,Distance:0,3 m, Écho amplitude: 8mv | ||
-40~+ 80 ℃ | |||
16kilos ou 1.6MPA | |||
(Largeur de faisceau) Largeur du faisceau de demi-puissance @ -3db: 7 ° ±dix%, Angle tranchant :: 18 ° ±dix% | |||
Matériel de logement | alliage de titane | ||
usage | débitmètre de gaz à ultrasons | ||
dimension | (Peut être personnalisé en fonction des exigences du client) | ||
Niveau de protection | IP68 | ||
Lester | 30g ± 5% (longueur de fil:20 cm) | ||
Instructions de câblage | Interface: rouge: transducteur +, blanc: transducteur -, noir: fil blindé, (le capteur de température est facultatif) | ||
Courbe d'admission | Diagramme de structure de produit | ||
| |||
Schéma de bloc de transducteur à distance à ultrasons :
Schéma du capteur de température schématique (Modèle: MF58_502F3470):
Instruction de câble de type intégré:
1.Censeignement de violation du transducteur: Interface (3pin, terminal 2,54 mm)
Rouge: transducteur +
Blanc: transducteur -
Noir: protéger
2.Les instructions du capteur de température: Interface (3pin, terminal de 2,0 mm)
Le rouge et le noir sont le câblage du capteur de température
Type de division: câble standard de 10 m, avec chaque 50 m de câble supplémentaire, l'atténuation du signal est de 6 dB
Instructions de câblage à trois cœurs:
Rouge: transducteur +
Bleu: capteur de température +
Noir: public-
Instructions de câblage à quatre cœurs:
Rouge: transducteur +
Jaune: transducteur-
Bleu, noir: capteur de température
Qu'est-ce qui se passe dans la fabrication d'un transducteur?
Le composant principal d'un transducteur de profondeur est l'élément piézocéramique. C'est la partie qui convertit les impulsions électriques en ondes sonores, et lorsque le Les échos reviennent, l'élément piézocéramique convertit les ondes sonores en énergie électrique. Les éléments piézocéramiques sont le plus souvent sous forme de disque, mais ils peuvent également avoir la forme d'une barre ou d'un anneau. Un transducteur peut contenir un élément ou une série d'éléments liés ensemble appelés un tableau. UN Le transducteur est composé de six composants distincts: