capteurs à ultrasons utilisés pour les systèmes de sonar dans l'eau
Applications multiples du capteur de mesure à distance à ultrasons
Le principe de la technologie des drones et de la technologie de variété ultrasonique
Développement d'un transducteur à ultrasons concentré sur une intensité à haute intensité
| État de disponibilité: | |
|---|---|
| Quantité: | |
PHA-200-01K
Piezohannas
PHA-200-01K
Graque à vent de transducteur à ultrasons 200 kHz pour une entrave à ultrasons
Articles | Paramètres techniques | Image | |
Nom | 200 kHz transducteur à ultrasons |
| |
Modèle | PHA-200-01K | ||
La fréquence | 200 kHz ±5% | ||
Distance de détection | 0.10~1,5 m | ||
Le minimum LMEDANCE parallèle | 2300Ω ± 20% | ||
370pf ± 20%@ 1khz | |||
Sensibilité | Tension de conduite:800vpp,Distance 0,3 m, Echo Amplitude25 mV | ||
-40~+ 80 ℃ | |||
≤3Kilos ou 0,3 MPA | |||
| (Largeur de faisceau) Largeur du faisceau de demi-puissance @ -3db: 10 ° ± 2, Angle tranchant: 23 ° ± 4 | ||
Logement Matériel | Pom | ||
Usage | anemorumbomètre, débitmètre de gaz | ||
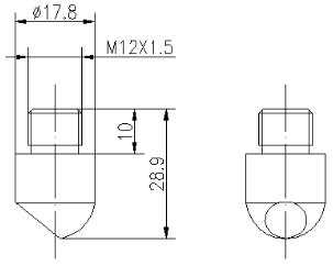
fil de discussion:M12 * 1.5 | |||
Niveau de protection | IP68 | ||
Lester | 10g ± 5% (longueur:10 cm) | ||
Instructions de câblage | integrattype ed:Rouge +,Blanc-,Noir: fil blindé(par défaut: sanscapteur de température) | ||
Courbe d'admission | Diagramme de structure de produit | ||
| | ||
Schéma de bloc de transducteur ultrasonique :
Diagramme schématique du capteur de température:
Intégré Type Instruction du câble: :
1.Censeignement de violation du transducteur: Interface (3pin, terminal 2,54 mm)
Rouge: transducteur +
Blanc: transducteur -
Noir: protéger
2.Les instructions du capteur de température: Interface (3pin, terminal de 2,0 mm)
Le rouge et le noir sont le câblage du capteur de température
Application pour Weatherstation ultrasonique:
L'instrument de la station météorologique à ultrasons est le seul capteur météorologique tout-en-un qui calcule la vitesse et la direction du vent apparentes, la pression barométrique, la température de l'air, l'humidité relative, le point de rosée et la température du refroidissement éolien. Avec la boussole interne en option et le système de positionnement global, la véritable vitesse et la direction du vent peuvent également être calculées. Le boîtier compact stabilisé UV est entièrement étanche et résistant aux produits chimiques. Habituellement, le corps principal du capteur de direction du vent adopte la structure mécanique de la galette de vent.
Application Image de Weatherstation ultrasonique
Graque à vent de transducteur à ultrasons 200 kHz pour une entrave à ultrasons
Articles | Paramètres techniques | Image | |
Nom | 200 kHz transducteur à ultrasons |
| |
Modèle | PHA-200-01K | ||
La fréquence | 200 kHz ±5% | ||
Distance de détection | 0.10~1,5 m | ||
Le minimum LMEDANCE parallèle | 2300Ω ± 20% | ||
370pf ± 20%@ 1khz | |||
Sensibilité | Tension de conduite:800vpp,Distance 0,3 m, Echo Amplitude25 mV | ||
-40~+ 80 ℃ | |||
≤3Kilos ou 0,3 MPA | |||
| (Largeur de faisceau) Largeur du faisceau de demi-puissance @ -3db: 10 ° ± 2, Angle tranchant: 23 ° ± 4 | ||
Logement Matériel | Pom | ||
Usage | anemorumbomètre, débitmètre de gaz | ||
fil de discussion:M12 * 1.5 | |||
Niveau de protection | IP68 | ||
Lester | 10g ± 5% (longueur:10 cm) | ||
Instructions de câblage | integrattype ed:Rouge +,Blanc-,Noir: fil blindé(par défaut: sanscapteur de température) | ||
Courbe d'admission | Diagramme de structure de produit | ||
| | ||
Schéma de bloc de transducteur ultrasonique :
Diagramme schématique du capteur de température:
Intégré Type Instruction du câble: :
1.Censeignement de violation du transducteur: Interface (3pin, terminal 2,54 mm)
Rouge: transducteur +
Blanc: transducteur -
Noir: protéger
2.Les instructions du capteur de température: Interface (3pin, terminal de 2,0 mm)
Le rouge et le noir sont le câblage du capteur de température
Application pour Weatherstation ultrasonique:
L'instrument de la station météorologique à ultrasons est le seul capteur météorologique tout-en-un qui calcule la vitesse et la direction du vent apparentes, la pression barométrique, la température de l'air, l'humidité relative, le point de rosée et la température du refroidissement éolien. Avec la boussole interne en option et le système de positionnement global, la véritable vitesse et la direction du vent peuvent également être calculées. Le boîtier compact stabilisé UV est entièrement étanche et résistant aux produits chimiques. Habituellement, le corps principal du capteur de direction du vent adopte la structure mécanique de la galette de vent.
Application Image de Weatherstation ultrasonique