Piezo Hannas (WuHan) Tech Co,.Ltd .- Fournisseur d'éléments piézocéramiques professionnels
Produits
Vous êtes ici: Maison / Des produits / Transducteurs à ultrasons / Transducteur pour compteur de gaz / Capteur de mesure de distance à ultrasons en acier inoxydable 200KHz pour débitmètre à gaz
Produits de gros à haute fréquence pour les fabricants et les usines:

Retour d'information

loading

Partager sur:
sharethis sharing button

Capteur de mesure de distance à ultrasons en acier inoxydable 200KHz pour débitmètre à gaz

Transducteur à ultrasons pour anemorumbomètre, débitmètre de gaz
État de disponibilité:
Quantité:
  • Pha-200-01vf

  • Piezohannas

  • PHA-200-01VF

   Capteur de mesure de distance à ultrasons en acier inoxydable à 200 kHz pour le débitmètre de gaz


Articles

Paramètres techniques

Image

Nom

200 kHz  transducteur à ultrasons

% 4d @ xq62a ({_ ([7bf) le (v  

D_w) xdi {jgo_urxm663r0b  

Modèle

PHA-200-01VF   

La fréquence

200 kHz ±5%

Distance de détection

0.101,5 m

Le minimum

LMEDANCE parallèle

1720Ω ± 20

Capacitance

450pf ± 20@ 1khz

 

Sensibilité

Tension de conduite800vppDistance:0,3 m

Écho amplitude40 mV

en fonctionnement

Tension

De pointe  Tension1000 VPP

en fonctionnement

Température

-40+ 80 ℃

Pression

≤1Kilos ou  0,1 MPA

 

Angle

(Largeur de faisceau) Largeur du faisceau de demi-puissance@ -3db: 7 ° ± 2

Angle aigu:16 ° ± 4

Logement  Matériel

acier inoxydable

 

Usage

anemorumbOmeter, débitmètre de gaz

Installation

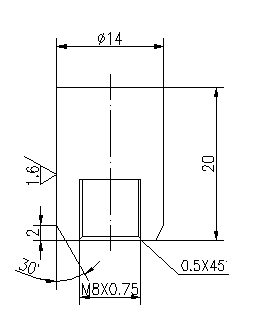
Dimension

Voir le diagramme de structuredessous

Niveau de protection

IP68

Lester

14g ± 5% (longueur25 cm

Instructions de câblage

integrattype edRouge +Blanc-Noir: fil blindé

 

Courbe d'admission

Diagramme de structure de produit

 

 

W} J34) @@ t) DOM8K3ODBN7HH  

 

S [6] 33N63G0_0GCLLVW7I58




sur: 
En vertu d'un: 

Produits chauds

Piezo Hannas (WuHan) Tech Co,.Ltd est un fabricant professionnel de céramiques piézoélectriques et de transducteurs à ultrasons, dédié à la technologie ultrasonique et aux applications industrielles.

RECOMMANDER

NOUS CONTACTER

Ajouter: No.456 Wu Luo Road, district de Wuchang, City Wuhan, province de Hubei, Chine.
E-mail:sales@piezohannas.com
Tél: +86 27 84898868
Téléphone: +86 + 18986196674
QQ: 1553242848
Skype: Live: Mary_14398
Copyright 2017    Piezo Hannas (WuHan) Tech Co,.Ltd.All rights reserved.                     
Des produits