C'est à quoi ressemblera les transducteurs à ultrasons dans 10 ans (二)
C'est à quoi ressemblera les transducteurs à ultrasons dans 10 ans (一)
Application de la technologie ultrasonique dans la mesure du débit intelligent
Qu'est-ce que la céramique piézoélectrique? Et le flux de processus de céramique piézoélectrique.
Points d'installation du capteur d'écoulement liquide dans la métrologie industrielle
| État de disponibilité: | |
|---|---|
| Quantité: | |
PH1000-01
Piezohannas
PH1000-01
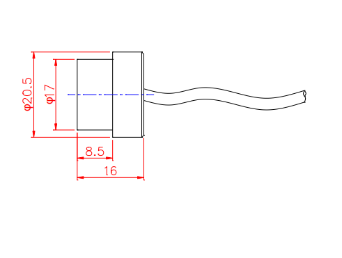
Transducteurs ultrasoniques piézoélectriques à 1 MHz pour le débitmètre ultrasonique
1.Le objectif principal:
Utilisé pour la mesure du débit d'eau
Mesure précise avec du liquide à courtes distances
2.Peures:
Petite taille, facile à installer
Sensibilité élevée, petite vibration résiduelle, haut débit, précision de test
longue vie professionnelle
3. Paramètres techniques:
Nom | spécification | Article | spécification |
type de produit | Transducteur de débitmètre à ultrasons | valeur de résistanceZ (Ω) | 200Ω ± 30% |
modèle du produit | PH1000-01 | Tension de conduite maximale | 300 V |
Céramique piézoélectriqueFrequise f (khz) | 1,00 MHz ± 2% | température de fonctionnement(℃) | 4 ~ + 50 ℃ |
Fréquence du transducteurf (khz) | 1,00 MHz ± 3% | température de stockage(℃) | -30 ~ + 80 ℃ |
bande passante △ f(sous-marin) | ± 10% | grade d'étanchéité | IP68 |
Vibration résiduelle du transducteur | ˂ 30 μs | Matériau de coquille | PPS(sulfure de polyphénylène) |
sensibilité globale(V) (0db = 3vp-p 8pulses l = 80 mm) |
> 200 mV |
Spécification du câble |
Fil de bouclier unique 40 cm |
Angle de faisceau °(-3db) | 6 ° | résistance à la corrosion | Acide faible faible résistant aux alcalins |
capacité électrostatique (PF) | 1200pf ± 20% | lester(g) | 16g /PC |
Remarque | TailledeLa structure du transducteur peut être personnalisée en fonction des besoins des utilisateurs. | ||
4. Courbe d'impédance:
5. Test de sensibilité
Application ultrasonique des débitmètres:
Les débitmètres ultrasoniques sont un moyen sans contact de mesurer la vitesse d'écoulement. Ce sont des dispositifs de serrage qui se fixent à l'extérieur du tuyau et permettent la mesure des liquides corrosifs sans endommager les capteurs. Le débitmètre ultrasonique Doppler doit avoir des particules ou des bulles pour refléter les signaux ultrasoniques. Une considération doit être accordée aux limites inférieures pour les concentrations et les tailles de solides ou de bulles, et le liquide doit s'écouler à un taux suffisamment élevé pour maintenir les solides en suspension.
Lorsqu'elle est transmise dans un tuyau qui contient du liquide coulant avec de telles discontinuités, une impulsion ou un faisceau à ultrasons en reflète avec un changement de fréquence directement proportionnel au débit du liquide. Ainsi, le débitmètre Doppler ultrasonique calcule le débit à partir de la vitesse des discontinuités, plutôt que de la vitesse du liquide.
Transducteurs ultrasoniques piézoélectriques à 1 MHz pour le débitmètre ultrasonique
1.Le objectif principal:
Utilisé pour la mesure du débit d'eau
Mesure précise avec du liquide à courtes distances
2.Peures:
Petite taille, facile à installer
Sensibilité élevée, petite vibration résiduelle, haut débit, précision de test
longue vie professionnelle
3. Paramètres techniques:
Nom | spécification | Article | spécification |
type de produit | Transducteur de débitmètre à ultrasons | valeur de résistanceZ (Ω) | 200Ω ± 30% |
modèle du produit | PH1000-01 | Tension de conduite maximale | 300 V |
Céramique piézoélectriqueFrequise f (khz) | 1,00 MHz ± 2% | température de fonctionnement(℃) | 4 ~ + 50 ℃ |
Fréquence du transducteurf (khz) | 1,00 MHz ± 3% | température de stockage(℃) | -30 ~ + 80 ℃ |
bande passante △ f(sous-marin) | ± 10% | grade d'étanchéité | IP68 |
Vibration résiduelle du transducteur | ˂ 30 μs | Matériau de coquille | PPS(sulfure de polyphénylène) |
sensibilité globale(V) (0db = 3vp-p 8pulses l = 80 mm) |
> 200 mV |
Spécification du câble |
Fil de bouclier unique 40 cm |
Angle de faisceau °(-3db) | 6 ° | résistance à la corrosion | Acide faible faible résistant aux alcalins |
capacité électrostatique (PF) | 1200pf ± 20% | lester(g) | 16g /PC |
Remarque | TailledeLa structure du transducteur peut être personnalisée en fonction des besoins des utilisateurs. | ||
4. Courbe d'impédance:
5. Test de sensibilité
Application ultrasonique des débitmètres:
Les débitmètres ultrasoniques sont un moyen sans contact de mesurer la vitesse d'écoulement. Ce sont des dispositifs de serrage qui se fixent à l'extérieur du tuyau et permettent la mesure des liquides corrosifs sans endommager les capteurs. Le débitmètre ultrasonique Doppler doit avoir des particules ou des bulles pour refléter les signaux ultrasoniques. Une considération doit être accordée aux limites inférieures pour les concentrations et les tailles de solides ou de bulles, et le liquide doit s'écouler à un taux suffisamment élevé pour maintenir les solides en suspension.
Lorsqu'elle est transmise dans un tuyau qui contient du liquide coulant avec de telles discontinuités, une impulsion ou un faisceau à ultrasons en reflète avec un changement de fréquence directement proportionnel au débit du liquide. Ainsi, le débitmètre Doppler ultrasonique calcule le débit à partir de la vitesse des discontinuités, plutôt que de la vitesse du liquide.