Conception d'un capteur de débitmètre à ultrasons d'huile brute
Application de la technologie ultrasonique dans la mesure du débit intelligent
Qu'est-ce que la céramique piézoélectrique? Et le flux de processus de céramique piézoélectrique.
Points d'installation du capteur d'écoulement liquide dans la métrologie industrielle
| État de disponibilité: | |
|---|---|
| Quantité: | |
Phw-200-as
Piezohannas
PHW-200-AS
Transducteur ultrasonique sous-marin à 200 kHz pour la mesure de la profondeur
Paramètres techniques:
Articles | Paramètres techniques | Image | |
Nom | Transducteur à ultrasons sous-marine de 200 kHz |
| |
Modèle | PHW-200-as | ||
La fréquence | 200kHz ±5% | ||
Distance de détection | 0.60~100m | ||
LMEDANCE PARALLEMENT | 3000Ω ± 20% | ||
1200pf ± 20%@ 1khz | |||
Sensibilité | Pas de charge dfléchirvoltage::200 VPP、Distance:07m、 Amplitude: 200 mV | ||
-10~+50 ℃ | |||
(Largeur de faisceau) Poutre à demi-puissance width@ -3db:16.7° ±dix%, Angle aigu40° ±dix% | |||
Matériel de logement | 304 | ||
usage | Finder de la gamme de sous-marins | ||
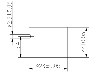
Voir le dessin de la structure du produit pour plus de détails | |||
Niveau de protection | IP68 | ||
Lester | 62g ± 5% (longueur de fil:2.5m) | ||
Instructions de câblage | Blanc: transducteur +, noir: transducteur -; | ||
Courbe d'admission | Diagramme de structure de produit | ||
| |||
Schéma de bloc de transducteur ultrasonique :
Schéma du capteur de température schématique (Modèle: MF58_502F3470):
Instruction de câble de type intégré:
1.Censeignement de violation du transducteur: Interface (3pin, terminal 2,54 mm)
Rouge: transducteur +
Blanc: transducteur -
Noir: protéger
2.Les instructions du capteur de température: Interface (3pin, terminal de 2,0 mm)
Le rouge et le noir sont le câblage du capteur de température
Type de division: câble standard de 10 m, avec chaque 50 m de câble supplémentaire, l'atténuation du signal est de 6 dB
Instructions de câblage à trois cœurs:
Rouge: transducteur +
Bleu: capteur de température +
Noir: public-
Instructions de câblage à quatre cœurs:
Rouge: transducteur +
Jaune: transducteur-
Bleu, noir: capteur de température
Transducteur ultrasonique sous-marin à 200 kHz pour la mesure de la profondeur
Paramètres techniques:
Articles | Paramètres techniques | Image | |
Nom | Transducteur à ultrasons sous-marine de 200 kHz |
| |
Modèle | PHW-200-as | ||
La fréquence | 200kHz ±5% | ||
Distance de détection | 0.60~100m | ||
LMEDANCE PARALLEMENT | 3000Ω ± 20% | ||
1200pf ± 20%@ 1khz | |||
Sensibilité | Pas de charge dfléchirvoltage::200 VPP、Distance:07m、 Amplitude: 200 mV | ||
-10~+50 ℃ | |||
(Largeur de faisceau) Poutre à demi-puissance width@ -3db:16.7° ±dix%, Angle aigu40° ±dix% | |||
Matériel de logement | 304 | ||
usage | Finder de la gamme de sous-marins | ||
Voir le dessin de la structure du produit pour plus de détails | |||
Niveau de protection | IP68 | ||
Lester | 62g ± 5% (longueur de fil:2.5m) | ||
Instructions de câblage | Blanc: transducteur +, noir: transducteur -; | ||
Courbe d'admission | Diagramme de structure de produit | ||
| |||
Schéma de bloc de transducteur ultrasonique :
Schéma du capteur de température schématique (Modèle: MF58_502F3470):
Instruction de câble de type intégré:
1.Censeignement de violation du transducteur: Interface (3pin, terminal 2,54 mm)
Rouge: transducteur +
Blanc: transducteur -
Noir: protéger
2.Les instructions du capteur de température: Interface (3pin, terminal de 2,0 mm)
Le rouge et le noir sont le câblage du capteur de température
Type de division: câble standard de 10 m, avec chaque 50 m de câble supplémentaire, l'atténuation du signal est de 6 dB
Instructions de câblage à trois cœurs:
Rouge: transducteur +
Bleu: capteur de température +
Noir: public-
Instructions de câblage à quatre cœurs:
Rouge: transducteur +
Jaune: transducteur-
Bleu, noir: capteur de température