Conception d'un capteur de débitmètre à ultrasons d'huile brute
Application de la technologie ultrasonique dans la mesure du débit intelligent
Qu'est-ce que la céramique piézoélectrique? Et le flux de processus de céramique piézoélectrique.
Points d'installation du capteur d'écoulement liquide dans la métrologie industrielle
| État de disponibilité: | |
|---|---|
| Quantité: | |
Phw-3,1m-5
Piezohannas
PHW-3.1M-5
Transducteur à ultrasons piézoélectrique en acier inoxydable 3 MHz pour le débitmètre à ultrasons
Paramètres techniques:
Articles | Paramètres techniques | Image | |
Nom | Transducteur à ultrasons de 3,1 MHz |
| |
Modèle | PHW-3.1M-5 | ||
La fréquence | 3.1MHz ±5% | ||
LMEDANCE PARALLEMENT | 7.5Ω ± 20% | ||
12000pf ± 20%@ 1khz | |||
Sensibilité | dfléchirvoltage:24V、Distance:03m、Écho amplitude:2.0 V | ||
-40~+ 80 ℃ | |||
≤10Kilos ou 1MPA | |||
(Largeur de faisceau) Largeur du faisceau de demi-puissance@ -3db:0.8° ±dix%, Angle aigu:1.9° ±dix% | |||
Matériel de logement | 304 | ||
usage | débitmètre ultrasonique,Finder de la gamme de sous-marins | ||
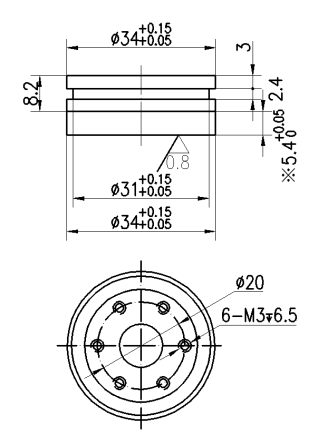
Voir le dessin de la structure du produit pour plus de détails | |||
Niveau de protection | IP68 | ||
Lester | 74g ± 5% (longueur de fil:1m) | ||
Instructions de câblage | Rouge: transducteur +, blanc: transducteur -, noir: fil blindé; ( capteur de températureest facultatif) | ||
Courbe d'admission | Diagramme de structure de produit | ||
| |||
Schéma de bloc de transducteur ultrasonique :
Schéma du capteur de température schématique (Modèle: MF58_502F3470):
Instruction de câble de type intégré:
1.Censeignement de violation du transducteur: Interface (3pin, terminal 2,54 mm)
Rouge: transducteur +
Blanc: transducteur -
Noir: protéger
2.Les instructions du capteur de température: Interface (3pin, terminal de 2,0 mm)
Le rouge et le noir sont le câblage du capteur de température
Type de division: câble standard de 10 m, avec chaque 50 m de câble supplémentaire, l'atténuation du signal est de 6 dB
Instructions de câblage à trois cœurs:
Rouge: transducteur +
Bleu: capteur de température +
Noir: public-
Instructions de câblage à quatre cœurs:
Rouge: transducteur +
Jaune: transducteur-
Bleu, noir: capteur de température
Application de débitmètre à ultrasons:
Les débitmètres d'eau à ultrasons mesurent la vitesse du fluide traversant le tuyau à l'aide de l'échographie pour mesurer l'écoulement volumétrique. Dans un flux de liquide ultrasonique en temps de transit, un signal à ultrasons est transmis dans le sens du fluide fluide en aval, puis un autre signal est transmis contre le fluide fluide en amont. Dans sa forme la plus élémentaire, le temps pour que le sonore pouls se déplace en aval est comparé au temps pour que le pouls se déplace en amont. En utilisant ce temps différentiel, la vitesse du fluide suivant est calculée. Ensuite, le compteur calcule le débit volumétrique dans le tuyau en utilisant cette vitesse de fluide. De plus, la mesure de l'énergie de la BTU peut être dérivée du débit volumétrique et de la différence de température entre les jambes chaudes et froides. Les compteurs à ultrasons à serrage peuvent mesurer l'eau de l'extérieur du tuyau en tirant des impulsions de sons à travers les parois du tuyau, ayant ainsi la flexibilité d'application et les rendant adaptées aux mesures d'écoulement de l'eau dans les grands tuyaux.
Transducteur à ultrasons piézoélectrique en acier inoxydable 3 MHz pour le débitmètre à ultrasons
Paramètres techniques:
Articles | Paramètres techniques | Image | |
Nom | Transducteur à ultrasons de 3,1 MHz |
| |
Modèle | PHW-3.1M-5 | ||
La fréquence | 3.1MHz ±5% | ||
LMEDANCE PARALLEMENT | 7.5Ω ± 20% | ||
12000pf ± 20%@ 1khz | |||
Sensibilité | dfléchirvoltage:24V、Distance:03m、Écho amplitude:2.0 V | ||
-40~+ 80 ℃ | |||
≤10Kilos ou 1MPA | |||
(Largeur de faisceau) Largeur du faisceau de demi-puissance@ -3db:0.8° ±dix%, Angle aigu:1.9° ±dix% | |||
Matériel de logement | 304 | ||
usage | débitmètre ultrasonique,Finder de la gamme de sous-marins | ||
Voir le dessin de la structure du produit pour plus de détails | |||
Niveau de protection | IP68 | ||
Lester | 74g ± 5% (longueur de fil:1m) | ||
Instructions de câblage | Rouge: transducteur +, blanc: transducteur -, noir: fil blindé; ( capteur de températureest facultatif) | ||
Courbe d'admission | Diagramme de structure de produit | ||
| |||
Schéma de bloc de transducteur ultrasonique :
Schéma du capteur de température schématique (Modèle: MF58_502F3470):
Instruction de câble de type intégré:
1.Censeignement de violation du transducteur: Interface (3pin, terminal 2,54 mm)
Rouge: transducteur +
Blanc: transducteur -
Noir: protéger
2.Les instructions du capteur de température: Interface (3pin, terminal de 2,0 mm)
Le rouge et le noir sont le câblage du capteur de température
Type de division: câble standard de 10 m, avec chaque 50 m de câble supplémentaire, l'atténuation du signal est de 6 dB
Instructions de câblage à trois cœurs:
Rouge: transducteur +
Bleu: capteur de température +
Noir: public-
Instructions de câblage à quatre cœurs:
Rouge: transducteur +
Jaune: transducteur-
Bleu, noir: capteur de température
Application de débitmètre à ultrasons:
Les débitmètres d'eau à ultrasons mesurent la vitesse du fluide traversant le tuyau à l'aide de l'échographie pour mesurer l'écoulement volumétrique. Dans un flux de liquide ultrasonique en temps de transit, un signal à ultrasons est transmis dans le sens du fluide fluide en aval, puis un autre signal est transmis contre le fluide fluide en amont. Dans sa forme la plus élémentaire, le temps pour que le sonore pouls se déplace en aval est comparé au temps pour que le pouls se déplace en amont. En utilisant ce temps différentiel, la vitesse du fluide suivant est calculée. Ensuite, le compteur calcule le débit volumétrique dans le tuyau en utilisant cette vitesse de fluide. De plus, la mesure de l'énergie de la BTU peut être dérivée du débit volumétrique et de la différence de température entre les jambes chaudes et froides. Les compteurs à ultrasons à serrage peuvent mesurer l'eau de l'extérieur du tuyau en tirant des impulsions de sons à travers les parois du tuyau, ayant ainsi la flexibilité d'application et les rendant adaptées aux mesures d'écoulement de l'eau dans les grands tuyaux.