| État de disponibilité: | |
|---|---|
| Quantité: | |
Ph200f011
Piezohannas
PH200F011
Transducteur à distance à ultrasons à 200 kHz pour la vitesse de l'air éolien
Introduction:
PH200F011 a les fonctions d'émetteur et de récepteur. Questions pour d'autres applications, veuillez nous contacter pour plus de détails.
Paramètres techniques:
Article | Paramètre |
Construction | Haute fréquence |
Utilisation de la méthode | Récepteur et émetteur (double utilisation) |
Fréquence nominale | 200.0±8,0 kHz |
Bande passante | 20,0 kHz |
Sensibilité | -80 dB min. |
Min. Résistance parallèle | 600Ω ±30% |
Capacitance | 400pf±20% |
Max. Tension d'entrée | 500 VP-P |
Directivité | 30° ±2°(-6db) |
Distance de détection | 0.1~1m |
Niveau de protection | IP68 |
Température de fonctionnement | -20℃~+80℃ |
Température de stockage | -40℃~+85℃ |
Matériel de couverture | Acier inoxydable |
Dimension de contour:
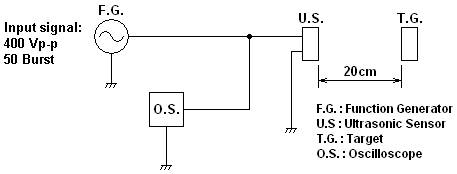
Circuit de test:
Caractéristiques des capteurs à ultrasons:
1. Taille et poids léger
2 Sensibilité élevée et pression sonore élevée
3. Consommation d'énergie
4. Fiabilité élevée
Remarquer:
1, veuillez ne pas appliquer D.C.Pollage pour les capteurs à ultrasons pour éviter la migration.
2, parce que les capteurs ont une direction potentielle, veuillez faire attention à son installation
emplacement.
3, pour assurer la fiabilité et la longue durée de vie de service, n'utilisez pas les capteurs où la température est
plus élevé que noté.
4, ne peut pas utiliser les capteurs dans une zone à vide ou des zones dangereuses.
5, n'utilisez pas dans une zone de vapeur, cette zone de l'atmosphère produit une température inégale
Le gradient entraînera une erreur de mesure.
6, les produits ne doivent pas être utilisés ou stockés dans une atmosphère corrosive, en particulier où
Le chlorure de gaz, le sulfure de gaz, l'acide, l'alcali, le sel ou similaires sont présents. Stocker les produits dans le
salle où est la température et l'humidité normales, et éviter la lumière du soleil, changements soudains
en température et en humidité. Il peut provoquer une défaillance ou un dysfonctionnement dans de telles conditions.
7, si vous postulez à la fréquence non standard et à d'autres conditions spéciales, veuillez informer
nous les conditions de travail spécifiques, le circuit dont vous avez besoin, afin de faire des capteurs pour rencontrer
vos exigences spécifiques.
Transducteur à distance à ultrasons à 200 kHz pour la vitesse de l'air éolien
Introduction:
PH200F011 a les fonctions d'émetteur et de récepteur. Questions pour d'autres applications, veuillez nous contacter pour plus de détails.
Paramètres techniques:
Article | Paramètre |
Construction | Haute fréquence |
Utilisation de la méthode | Récepteur et émetteur (double utilisation) |
Fréquence nominale | 200.0±8,0 kHz |
Bande passante | 20,0 kHz |
Sensibilité | -80 dB min. |
Min. Résistance parallèle | 600Ω ±30% |
Capacitance | 400pf±20% |
Max. Tension d'entrée | 500 VP-P |
Directivité | 30° ±2°(-6db) |
Distance de détection | 0.1~1m |
Niveau de protection | IP68 |
Température de fonctionnement | -20℃~+80℃ |
Température de stockage | -40℃~+85℃ |
Matériel de couverture | Acier inoxydable |
Dimension de contour:
Circuit de test:
Caractéristiques des capteurs à ultrasons:
1. Taille et poids léger
2 Sensibilité élevée et pression sonore élevée
3. Consommation d'énergie
4. Fiabilité élevée
Remarquer:
1, veuillez ne pas appliquer D.C.Pollage pour les capteurs à ultrasons pour éviter la migration.
2, parce que les capteurs ont une direction potentielle, veuillez faire attention à son installation
emplacement.
3, pour assurer la fiabilité et la longue durée de vie de service, n'utilisez pas les capteurs où la température est
plus élevé que noté.
4, ne peut pas utiliser les capteurs dans une zone à vide ou des zones dangereuses.
5, n'utilisez pas dans une zone de vapeur, cette zone de l'atmosphère produit une température inégale
Le gradient entraînera une erreur de mesure.
6, les produits ne doivent pas être utilisés ou stockés dans une atmosphère corrosive, en particulier où
Le chlorure de gaz, le sulfure de gaz, l'acide, l'alcali, le sel ou similaires sont présents. Stocker les produits dans le
salle où est la température et l'humidité normales, et éviter la lumière du soleil, changements soudains
en température et en humidité. Il peut provoquer une défaillance ou un dysfonctionnement dans de telles conditions.
7, si vous postulez à la fréquence non standard et à d'autres conditions spéciales, veuillez informer
nous les conditions de travail spécifiques, le circuit dont vous avez besoin, afin de faire des capteurs pour rencontrer
vos exigences spécifiques.