| État de disponibilité: | |
|---|---|
| Quantité: | |
PHW-1M-01N
Piezohannas
PHW-1M-01N
Transducteur de débitmètre ultrasonique sous-marine à 1 MHz pour le débitmètre à ultrasons
Paramètres techniques:
Articles | Paramètres techniques | Image | |
Nom | 1 MHz ultrasonic sous-marin transducteur |
| |
Modèle | PHW-1M-01N | ||
La fréquence | 1 MHz±5% | ||
Distance de détection | 005~3m | ||
Le minimum LMEDANCE parallèle | 170Ω ± 20% | ||
1100pf ± 20%@ 1khz | |||
Sensibilité | Émitteg tension 24Vice-présidentP , Distance: 0,3 m , Amplitude d'écho: 500 mV | ||
-40~+ 80 ℃ | |||
≤3kilos ou 0,3 MPa | |||
| (Largeur de faisceau)Largeur du faisceau de demi-puissance @ -3db: 5 ° ± 1 , Angle tranchant: 11 ° ± 2 | ||
Logement Matériel | matériau composite | ||
Usage | Débit ultrasonique , Finder de la gamme de sous-marins | ||
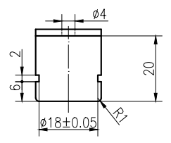
Voir le dessin de la structure du produit | |||
Niveau de protection | IP68 | ||
Lester | 13g ± 5%(Longueur: 25 cm) | ||
Instructions de câblage | Type intégré: rouge + , blanc- , noir: fil blindé ; (sans pour autant capteur de température par défaut) | ||
Courbe d'admission | Diagramme de structure de produit | ||
|
| ||
Diagramme schématique du circuit d'essai
Diagramme schématique du capteur de température du transducteur
Application des débitmètres à eau ultrasonores:
Les débitmètres d'eau à ultrasons mesurent la vitesse du fluide traversant le tuyau à l'aide de l'échographie pour mesurer l'écoulement volumétrique. Dans un flux de liquide ultrasonique en temps de transit, un signal à ultrasons est transmis dans le sens du fluide fluide en aval, puis un autre signal est transmis contre le fluide fluide en amont. Dans sa forme la plus élémentaire, le temps pour que le sonore pouls se déplace en aval est comparé au temps pour que le pouls se déplace en amont. En utilisant ce temps différentiel, la vitesse du fluide suivant est calculée. Ensuite, le compteur calcule le débit volumétrique dans le tuyau en utilisant cette vitesse de fluide. De plus, la mesure de l'énergie de la BTU peut être dérivée du débit volumétrique et de la différence de température entre les jambes chaudes et froides. Les compteurs à ultrasons à serrage peuvent mesurer l'eau de l'extérieur du tuyau en tirant des impulsions de sons à travers les parois du tuyau, ayant ainsi la flexibilité d'application et les rendant adaptées aux mesures d'écoulement de l'eau dans les grands tuyaux.
Transducteur de débitmètre ultrasonique sous-marine à 1 MHz pour le débitmètre à ultrasons
Paramètres techniques:
Articles | Paramètres techniques | Image | |
Nom | 1 MHz ultrasonic sous-marin transducteur |
| |
Modèle | PHW-1M-01N | ||
La fréquence | 1 MHz±5% | ||
Distance de détection | 005~3m | ||
Le minimum LMEDANCE parallèle | 170Ω ± 20% | ||
1100pf ± 20%@ 1khz | |||
Sensibilité | Émitteg tension 24Vice-présidentP , Distance: 0,3 m , Amplitude d'écho: 500 mV | ||
-40~+ 80 ℃ | |||
≤3kilos ou 0,3 MPa | |||
| (Largeur de faisceau)Largeur du faisceau de demi-puissance @ -3db: 5 ° ± 1 , Angle tranchant: 11 ° ± 2 | ||
Logement Matériel | matériau composite | ||
Usage | Débit ultrasonique , Finder de la gamme de sous-marins | ||
Voir le dessin de la structure du produit | |||
Niveau de protection | IP68 | ||
Lester | 13g ± 5%(Longueur: 25 cm) | ||
Instructions de câblage | Type intégré: rouge + , blanc- , noir: fil blindé ; (sans pour autant capteur de température par défaut) | ||
Courbe d'admission | Diagramme de structure de produit | ||
|
| ||
Diagramme schématique du circuit d'essai
Diagramme schématique du capteur de température du transducteur
Application des débitmètres à eau ultrasonores:
Les débitmètres d'eau à ultrasons mesurent la vitesse du fluide traversant le tuyau à l'aide de l'échographie pour mesurer l'écoulement volumétrique. Dans un flux de liquide ultrasonique en temps de transit, un signal à ultrasons est transmis dans le sens du fluide fluide en aval, puis un autre signal est transmis contre le fluide fluide en amont. Dans sa forme la plus élémentaire, le temps pour que le sonore pouls se déplace en aval est comparé au temps pour que le pouls se déplace en amont. En utilisant ce temps différentiel, la vitesse du fluide suivant est calculée. Ensuite, le compteur calcule le débit volumétrique dans le tuyau en utilisant cette vitesse de fluide. De plus, la mesure de l'énergie de la BTU peut être dérivée du débit volumétrique et de la différence de température entre les jambes chaudes et froides. Les compteurs à ultrasons à serrage peuvent mesurer l'eau de l'extérieur du tuyau en tirant des impulsions de sons à travers les parois du tuyau, ayant ainsi la flexibilité d'application et les rendant adaptées aux mesures d'écoulement de l'eau dans les grands tuyaux.