Conception d'un capteur de débitmètre à ultrasons d'huile brute
Application de la technologie ultrasonique dans la mesure du débit intelligent
Qu'est-ce que la céramique piézoélectrique? Et le flux de processus de céramique piézoélectrique.
Points d'installation du capteur d'écoulement liquide dans la métrologie industrielle
| État de disponibilité: | |
|---|---|
| Quantité: | |
Phw-1m-w
Piezohannas
PHW-1M-W
Transducteur à ultrasons en acier inoxydable à 1 MHz pour la mesure de la profondeur
Paramètres techniques:
Articles | Paramètres techniques | Image | |
Nom | Transducteur ultrasonique sous-marine à 1 MHz |
| |
Modèle | PHW-1m-W | ||
La fréquence | 1mHz ±5% | ||
Distance de détection | 0.10~3,0 m | ||
LMEDANCE PARALLEMENT | 15Ω ± 20% | ||
2500pf ± 20%@ 1khz | |||
Sensibilité | dfléchirvoltage:24 V、Distance:03m、Écho amplitude:2.0V | ||
-10~+50 ℃ | |||
5MPA | |||
(Largeur de faisceau) Largeur du faisceau de demi-puissance@ -3db:3.0° ±dix%, Angle aigu 7.0° ±dix% | |||
Matériel de logement | 316 | ||
usage | Finder de la gamme de sous-marins | ||
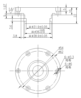
Voir le dessin de la structure du produit pour plus de détails | |||
Niveau de protection | IP68 | ||
Lester | 270g ± 5% (longueur de fil:1m) | ||
Instructions de câblage | Rouge: transducteur +, noir: transducteur -; Jaune et blanc: Pôles de température MF58; | ||
Courbe d'admission | Diagramme de structure de produit | ||
| |||
Schéma de bloc de transducteur ultrasonique :
Schéma du capteur de température schématique (Modèle: MF58_502F3470):
Instruction de câble de type intégré:
1.Censeignement de violation du transducteur: Interface (3pin, terminal 2,54 mm)
Rouge: transducteur +
Blanc: transducteur -
Noir: protéger
2.Les instructions du capteur de température: Interface (3pin, terminal de 2,0 mm)
Le rouge et le noir sont le câblage du capteur de température
Type de division: câble standard de 10 m, avec chaque 50 m de câble supplémentaire, l'atténuation du signal est de 6 dB
Instructions de câblage à trois cœurs:
Rouge: transducteur +
Bleu: capteur de température +
Noir: public-
Instructions de câblage à quatre cœurs:
Rouge: transducteur +
Jaune: transducteur-
Bleu, noir: capteur de température
Transducteur à ultrasons en acier inoxydable à 1 MHz pour la mesure de la profondeur
Paramètres techniques:
Articles | Paramètres techniques | Image | |
Nom | Transducteur ultrasonique sous-marine à 1 MHz |
| |
Modèle | PHW-1m-W | ||
La fréquence | 1mHz ±5% | ||
Distance de détection | 0.10~3,0 m | ||
LMEDANCE PARALLEMENT | 15Ω ± 20% | ||
2500pf ± 20%@ 1khz | |||
Sensibilité | dfléchirvoltage:24 V、Distance:03m、Écho amplitude:2.0V | ||
-10~+50 ℃ | |||
5MPA | |||
(Largeur de faisceau) Largeur du faisceau de demi-puissance@ -3db:3.0° ±dix%, Angle aigu 7.0° ±dix% | |||
Matériel de logement | 316 | ||
usage | Finder de la gamme de sous-marins | ||
Voir le dessin de la structure du produit pour plus de détails | |||
Niveau de protection | IP68 | ||
Lester | 270g ± 5% (longueur de fil:1m) | ||
Instructions de câblage | Rouge: transducteur +, noir: transducteur -; Jaune et blanc: Pôles de température MF58; | ||
Courbe d'admission | Diagramme de structure de produit | ||
| |||
Schéma de bloc de transducteur ultrasonique :
Schéma du capteur de température schématique (Modèle: MF58_502F3470):
Instruction de câble de type intégré:
1.Censeignement de violation du transducteur: Interface (3pin, terminal 2,54 mm)
Rouge: transducteur +
Blanc: transducteur -
Noir: protéger
2.Les instructions du capteur de température: Interface (3pin, terminal de 2,0 mm)
Le rouge et le noir sont le câblage du capteur de température
Type de division: câble standard de 10 m, avec chaque 50 m de câble supplémentaire, l'atténuation du signal est de 6 dB
Instructions de câblage à trois cœurs:
Rouge: transducteur +
Bleu: capteur de température +
Noir: public-
Instructions de câblage à quatre cœurs:
Rouge: transducteur +
Jaune: transducteur-
Bleu, noir: capteur de température