Piezo Hannas (WuHan) Tech Co,.Ltd .- Fournisseur d'éléments piézocéramiques professionnels
Nouvelles
Vous êtes ici: Maison / Nouvelles / Informations sur les transducteurs à ultrasons / Recherche sur le système de contrôle de niveau automatique conçu par un capteur à ultrasons

Recherche sur le système de contrôle de niveau automatique conçu par un capteur à ultrasons

Nombre Parcourir:0     auteur:Éditeur du site     publier Temps: 2020-07-17      origine:Propulsé

enquête

facebook sharing button
twitter sharing button
line sharing button
wechat sharing button
linkedin sharing button
pinterest sharing button
whatsapp sharing button
sharethis sharing button

Présentation de la fonction du système et schéma de bloc

Cette conception utilise un micro-ordinateur à puce unique MCS-51 combiné avec une puce numérique et un circuit analogique pour compléter la détection et le contrôle automatique du niveau d'eau. Les basespièces de capteur à ultrasonsque l'hôte définit le niveau liquide de lui-même et l'esclave sur le clavier, le capteur à ultrasons mesure la valeur de tension correspondant au niveau d'eau actuel, puis l'envoie au contrôleur et se compare à la valeur définie à travers la numérique analogique Conversion et l'ordinateur à puce unique contrôle l'électrovanne ajustez le niveau liquide de l'hôte et affichez la valeur définie et la valeur de courant sur l'écran LCD; Le contrôleur hôte transmet la valeur définie sur le contrôleur d'esclaves via une communication 485, et le contrôleur d'esclaves peut également contrôler le niveau de liquide comme le contrôleur hôte, et afficher la valeur définie et la valeur de niveau liquide actuel de l'hôte via l'écran LCD; et utilisez 485 communication pour envoyer le niveau liquide actuel de l'esclave à l'hôte et l'afficher.

Le système est composé d'un module de traitement des données du système de micro-ordinateur à puce unique, d'un module d'entrée de données A / D, d'un module de communication 485, d'un module de contrôle de niveau liquide et d'alarme, de clavier et de module d'affichage. La démonstration et la comparaison du schéma considèrent les exigences du système. Dans le processus de sélection de l'appareil, l'accent est mis sur la sélection decapteur de niveau de liquide à ultrasonset les puces de conversion analogiques-numériques.

capteur

Au cours du processus de conception du système, les trois capteurs ultrasoniques suivants ont été sélectionnés et comparés.

Solution 1: capteur de pression

À l'heure actuelle, la plupart des capteurs de pression de niveau liquide sont des émetteurs de niveau de liquide de pression statique d'entrée et les capteurs de niveau de liquide de pression statique d'entrée ne peuvent être mesurés avec précision que par référence à la pression atmosphérique. Cependant, la ventilation dans le câble de connexion sera affectée par l'environnement, provoquant la paroi interne de la condensation de la trachée, la condensation. Les baisses de rosée sur les dispositifs électroniques et les capteurs peuvent affecter la précision ou la dérive de sortie. Dans le même temps, si la condensation est trop rapide, la durée de vie de l'émetteur sera grandement raccourcie. Ce capteur de pression est facilement affecté par l'environnement et provoque une mesure inexacte et n'est pas pratique à installer.

Option 2: capteur de pression piézorésive

Le capteur piézorésistif utilise un processus de circuit intégré pour fabriquer directement une varistor diffus sur un diaphragme plat en silicium dans une certaine orientation cristalline; Le diaphragme plat en silicium a de bonnes propriétés élastiques lorsqu'elle est légèrement déformée. Lorsque la tranche de silicium est pressée, la déformation du diaphragme fait changer la résistance de la résistance de diffusion; Cette variété est facilement affectée par l'environnement externe, comme la température, entraînant une mesure inexacte, et le volume est généralement important, il n'est pas facile à installer et pas facile à transporter; Généralement, sa précision est relativement faible. Il ne peut pas répondre aux besoins de la conception.

Solution 3: capteur à ultrasons

Le capteur à ultrasons est le premier petit capteur avec une fonction de réglage clé et une fonction d'auto-diagnostic dans l'industrie. Bien qu'il soit petit, il a les fonctions d'autres grands capteurs. Il est facile à installer et à utiliser et n'est pas affecté par la couleur de l'objet de mesure. Il a de nombreuses fonctions spéciales, telles que: affichage LED d'autodiagnostic et fonction de réglage de la clé, fonction de compensation de température, qui peut choisir la quantité analogique ou la sortie de commutation, etc.; Sa tension d'alimentation est de 10 ~ 30 V, la plage de mesure est de 30 mm ~ 300 mm, la tension de sortie est de 0 V ~ 10V, le courant de sortie est de 4 mm ~ 20 mm, l'impédance de charge minimale est de 2,5 ohms et la précision peut atteindre 0,5 mm, la forme est divisée en type droit et type à angle droit. Le calibre d'induction est de 18 mm. Le capteur à ultrasons a les conditions pour répondre au contrôle du niveau liquide de 0 à 25 cm requis par la conception, et l'exigence que l'erreur de niveau liquide ne dépasse pas ± 0,3 cm, et résout le problème de l'installation gênante. Par conséquent, cette conception sélectionne un capteur à ultrasons avec une grande précision et une petite taille.

Convertisseur A / D

La précision et les performances du convertisseur A / D utilisées affectent directement la précision des données reçues par le microcontrôleur arrière. Ici, nous comparons et analysons les deux convertisseurs AD suivants.

Solution 1: Utilisez le convertisseur ADC0809 A / D 8 bits

L'ADC0809 est un convertisseur A / D 8 bits couramment utilisé, qui est un type d'approximation successif. ADC0809 est alimenté par un seul + 5V. La puce contient 8 commutateurs électroniques analogiques avec une fonction de verrouillage, qui peut répondre à 0 à + 5v 8 tensions analogiques. Le signal est converti dans le partage du temps, et il faut environ 100 U pour terminer une conversion, donc la vitesse est plus rapide, mais la puce ADC0809 a une faible résolution et une précision insuffisante, qui ne peut pas répondre aux exigences de ce système et n'est pas utilisée.

Option 2: Adopter 4 et demi à double intégration A / D Convertisseur ICL7135

ICL7135 est un convertisseur A / D largement utilisé, un convertisseur A / D intégré avec une sortie de code BCD dynamique. Ses caractéristiques sont les suivantes: haute précision, sortie de conversion de polarité automatique, étalonnage zéro automatique, opération d'alimentation unique et sortie de code BCD dynamique. Étant donné que le temps à double intégration de la méthode de double intégration est relativement long, la vitesse de conversion A / D est lente, généralement (3 à 10) fois / s. De plus, l'intégration du signal d'interférence changeant périodique est nulle et les performances anti-ingérence sont également relativement bonnes. Dans le cas de la même précision, le prix est inférieur au convertisseur A / D de type d'approximation successif, il est donc plus adapté à utiliser ce type de convertisseur A / D dans les occasions où l'exigence de vitesse n'est pas élevée.

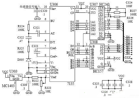
Considérant les exigences de laCapteur à ultrasons pour la mesure de la distance , Cette conception utilise le convertisseur A / D ICL7135 avec une précision de contrôle élevée. Circuit hardware et conception de logiciels. Le circuit matériel de cette conception comprend le circuit système minimum, le circuit de contrôle du niveau liquide et l'alarme, l'acquisition de signaux et le circuit de transmission, le clavier et la module d'affichage . Système minimal (circuit d'alimentation et expansion d'E / S et circuit de stroboscope). La plus petite carte système utilisée dans cette conception est basée sur le microcontrôleur 80C52, et il a une bonne évolutivité. Le CPU est connecté à un oscillateur en cristal de 11,0592 mHz, qui est principalement composé d'un circuit de décodage 74LS373, d'un circuit de décodage 74LS138, de boutons, d'un dispositif d'affichage, d'un ICL7135 et de ses circuits typiques périphériques, et utilise 8255 pour étendre le I / interface. Le circuit système minimum est illustré à la figure 2.


2mkh3``q1kql43id_uz9xf


conception de logiciels

La partie logicielle utilise principalement des micro-ordinateurs à 2 séries comme le contrôleur, la tension de sortie du capteur est échantillonnée, la valeur échantillonnée est comparée à la valeur définie, le micro-ordinateur monomlip contrôle la valve solénoïde pour régler le niveau liquide, le niveau L'hôte définit la valeur sur l'extension via 485 communication et le contrôleur d'extension contrôle le niveau de liquide d'extension. La partie logicielle comprend la pièce d'échantillonnage ICL7135, la pièce de communication 485, la pièce de traitement numérique, la pièce d'affichage, la partie du clavier, etc. Afin d'éviter les données de mesure inexactes causées par le mouvement du capteur ultrasonique pour la mesure de la distance, une fonction d'ajustement nul est particulièrement ajoutée pour améliorer encore la précision du système. Le graphique d'écoulement du programme principal est illustré à la figure 4.


) 9mf% 89gd7j9 (i`viwr

Résultats et analyses expérimentales

L'équipement de test requis est un multimètre numérique de haute précision à 4 chiffres, un oscilloscope numérique à double trace de 100 m.


LX95 %% B1KJQ5QN2H`LTA0


D'après les données ci-dessus, nous pouvons voir que la précision des données de test de chaque unité de détection du système est très élevée, la valeur d'affichage des cristaux liquides et la valeur mesurée sont très proches de la valeur définie, il existe une relation linéaire avec la sortie du capteur Tension, et une certaine relation proportionnelle avec le poids, cela est inséparable du choix du matériel et de la correspondance de ses paramètres et du choix des algorithmes de contrôle logiciel.


Résumé de la conception

Cette conception utilise du matériel tel que le capteur à ultrasons, l'ICL7135 et d'autres puces et instruments de haute précision pour la mesure du niveau de liquide, de sorte que la précision du niveau de liquide est beaucoup plus élevée que l'exigence selon laquelle l'erreur de niveau liquide ne dépasse pas ± 0,3 cm. Cette conception utilise également la communication Max485, l'OCM4X8C Liquid Crystal Display LCD et d'autres puces et composants, ce qui rend la conception plus conforme aux exigences d'application réelles et réduisant en conséquence la difficulté de conception de logiciels. Dans les logiciels, l'utilisation de méthodes de programmation standardisées réduit efficacement l'espace de stockage requis par le programme. À l'heure actuelle, ce sujet est principalement utilisé pour la détection du niveau des eaux souterraines.


Retour d'information
Piezo Hannas (WuHan) Tech Co,.Ltd est un fabricant professionnel de céramiques piézoélectriques et de transducteurs à ultrasons, dédié à la technologie ultrasonique et aux applications industrielles.

RECOMMANDER

NOUS CONTACTER

Ajouter: No.456 Wu Luo Road, district de Wuchang, City Wuhan, province de Hubei, Chine.
E-mail:sales@piezohannas.com
Tél: +86 27 84898868
Téléphone: +86 + 18986196674
QQ: 1553242848
Skype: Live: Mary_14398
Copyright 2017    Piezo Hannas (WuHan) Tech Co,.Ltd.All rights reserved.                     
Des produits