| État de disponibilité: | |
|---|---|
| Quantité: | |
UM1000-18GM-AU-V1
Piezohannas
UM1000-18GM-AU-V1
Capteur ultrasonique industriel non contact pour la mesure de la distance
Paramètres:
Données techniques |
Spécifications générales |
Distance de détection 100… 1000 mm (50… 800 mm) |
Gamme de réglage 100… 1000 mm (50… 800 mm) |
Zone inutilisable 0… 100 mm (0… 50 mm) |
Plaque cible standard 100 mm × 100 mm |
Fréquence du transducteur Environ 200 kHz |
Retard de réponse Environ 125 ms |
Indicateurs / moyens de fonctionnement |
LED jaune solide: objet dans la plage d'évaluation clignotement: fonction du programme |
LED rouge Flashing: défaut ou objet de fonction de programme non détecté |
Spécifications électriques |
Tension de fonctionnement uB 10… 30VDC, Ripple10% SS |
Courant de l'offre sans charge ≤20mA |
Production |
Le type de sortie 1 sortie analogique 0… 10v |
Résolution 0,11 mm à la gamme max. |
Déviation de la caractéristique courbe ± 1% de la valeur à grande échelle |
Répéter la précision ± 0,1% de la valeur à grande échelle |
Impédance de chargement > 1k ohm |
Influence de la température ± 1,5% de la valeur à grande échelle |
Conditions ambiantes |
Température ambiante -25… 70 ℃ |
Température de stockage -40… 85 ℃ |
Spécifications mécaniques |
Note de protection IP67 |
Lien Connecteur m12x1,4-pin |
Matériel Logement laiton, nickelé |
Transducteur Mélange de résine époxy / sphère en verre creuse; Mousse de polyurethane |
Lester 60g |
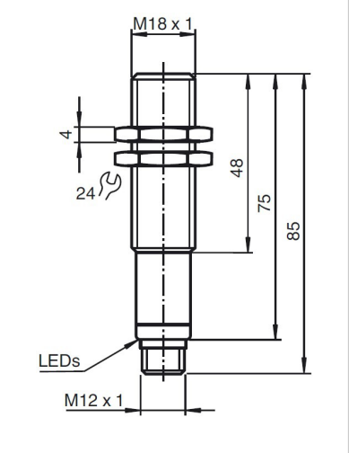
Dimension:
Ajustement des limites d'évaluation
Le capteur à ultrasons dispose d'une sortie analogique avec deux limites d'évaluation enseignables. Ceux-ci sont définis en appliquant l'offre
tension -uB ou + uB à la contribution de l'enseignement. La tension d'alimentation doit être appliquée à l'entrée de l'enseignement pendant au moins 1 s. LEDS
Indiquez si le capteur a reconnu la cible pendant la procédure d'enseignement. La limite d'évaluation inférieure A1 est enseignée
avec uB, A2 avec + uB.
Deux fonctions de sortie différentes peuvent être définies:
1. La valeur analogique augmente avec l'augmentation de la distance à l'objet (rampe croissante)
2. La valeur analogique tombe avec une distance croissante à l'objet (rampe tombant)
Les limites d'évaluation ne peuvent être spécifiées que dans les 5 premières minutes suivant
Allumer. Pour modifier les limites d'évaluation plus tard,
L'utilisateur ne peut spécifier les valeurs souhaitées qu'après une nouvelle puissance.
Teach-in Rising Ramp (A2> A1)
- Position objet à la limite d'évaluation inférieure
- enseigner la limite inférieure A1 avec - uB
- Position objet à la limite d'évaluation supérieure
- Enseigner la limite supérieure A2 avec + uB
Teach-In Falling Ramp (A1> A2):
- Position objet à la limite d'évaluation inférieure
- Enseigner la limite inférieure A2 avec + uB
- Position objet à la limite d'évaluation supérieure
- Enseigner la limite supérieure A1 avec - uB
Paramètres par défaut
A1: zone inutilisable
A2: plage de détection nominale
Mode de fonctionnement: rampe croissante
Affichages LED
Affiche en fonction du mode de fonctionnement | LED rouge | LED jaune |
Limite d'évaluation de l'enseignement Objet détecté Aucun objet détecté Objet incertain (enseignement invalide) |
à l'arrêt flash sur |
flash à l'arrêt à l'arrêt |
Mode normal (plage d'évaluation) | à l'arrêt | sur |
Défaut | sur | État précédent |
Capteur ultrasonique industriel non contact pour la mesure de la distance
Paramètres:
Données techniques |
Spécifications générales |
Distance de détection 100… 1000 mm (50… 800 mm) |
Gamme de réglage 100… 1000 mm (50… 800 mm) |
Zone inutilisable 0… 100 mm (0… 50 mm) |
Plaque cible standard 100 mm × 100 mm |
Fréquence du transducteur Environ 200 kHz |
Retard de réponse Environ 125 ms |
Indicateurs / moyens de fonctionnement |
LED jaune solide: objet dans la plage d'évaluation clignotement: fonction du programme |
LED rouge Flashing: défaut ou objet de fonction de programme non détecté |
Spécifications électriques |
Tension de fonctionnement uB 10… 30VDC, Ripple10% SS |
Courant de l'offre sans charge ≤20mA |
Production |
Le type de sortie 1 sortie analogique 0… 10v |
Résolution 0,11 mm à la gamme max. |
Déviation de la caractéristique courbe ± 1% de la valeur à grande échelle |
Répéter la précision ± 0,1% de la valeur à grande échelle |
Impédance de chargement > 1k ohm |
Influence de la température ± 1,5% de la valeur à grande échelle |
Conditions ambiantes |
Température ambiante -25… 70 ℃ |
Température de stockage -40… 85 ℃ |
Spécifications mécaniques |
Note de protection IP67 |
Lien Connecteur m12x1,4-pin |
Matériel Logement laiton, nickelé |
Transducteur Mélange de résine époxy / sphère en verre creuse; Mousse de polyurethane |
Lester 60g |
Dimension:
Ajustement des limites d'évaluation
Le capteur à ultrasons dispose d'une sortie analogique avec deux limites d'évaluation enseignables. Ceux-ci sont définis en appliquant l'offre
tension -uB ou + uB à la contribution de l'enseignement. La tension d'alimentation doit être appliquée à l'entrée de l'enseignement pendant au moins 1 s. LEDS
Indiquez si le capteur a reconnu la cible pendant la procédure d'enseignement. La limite d'évaluation inférieure A1 est enseignée
avec uB, A2 avec + uB.
Deux fonctions de sortie différentes peuvent être définies:
1. La valeur analogique augmente avec l'augmentation de la distance à l'objet (rampe croissante)
2. La valeur analogique tombe avec une distance croissante à l'objet (rampe tombant)
Les limites d'évaluation ne peuvent être spécifiées que dans les 5 premières minutes suivant
Allumer. Pour modifier les limites d'évaluation plus tard,
L'utilisateur ne peut spécifier les valeurs souhaitées qu'après une nouvelle puissance.
Teach-in Rising Ramp (A2> A1)
- Position objet à la limite d'évaluation inférieure
- enseigner la limite inférieure A1 avec - uB
- Position objet à la limite d'évaluation supérieure
- Enseigner la limite supérieure A2 avec + uB
Teach-In Falling Ramp (A1> A2):
- Position objet à la limite d'évaluation inférieure
- Enseigner la limite inférieure A2 avec + uB
- Position objet à la limite d'évaluation supérieure
- Enseigner la limite supérieure A1 avec - uB
Paramètres par défaut
A1: zone inutilisable
A2: plage de détection nominale
Mode de fonctionnement: rampe croissante
Affichages LED
Affiche en fonction du mode de fonctionnement | LED rouge | LED jaune |
Limite d'évaluation de l'enseignement Objet détecté Aucun objet détecté Objet incertain (enseignement invalide) |
à l'arrêt flash sur |
flash à l'arrêt à l'arrêt |
Mode normal (plage d'évaluation) | à l'arrêt | sur |
Défaut | sur | État précédent |