Piezo Hannas (WuHan) Tech Co,.Ltd .- Fournisseur d'éléments piézocéramiques professionnels
Produits
Vous êtes ici: Maison / Des produits / Transducteurs à ultrasons / Transducteur pour débitmètre / Montage de transducteur de sondeur de profondeur sous-marine 1 MHz pour débitmètre à ultrasons
Produits de gros à haute fréquence pour les fabricants et les usines:

Retour d'information

loading

Partager sur:
sharethis sharing button

Montage de transducteur de sondeur de profondeur sous-marine 1 MHz pour débitmètre à ultrasons

Transducteur à ultrasons pour le débitmètre
État de disponibilité:
Quantité:
  • Phw-1m-01p

  • Piezohannas

  • PHW-1M-01P

1MHz de monture de transducteur de profondeur sous-marine pour un débitmètre à ultrasons


Articles

Paramètres techniques

Image

Nom

1mHz sous-marin ultrasonique transducteur

Gs5r3ar% Oi {uayfcyz`2wgk  

Nse1tcv51txhx7dvf0 (g (zm  

Modèle

PHW-1M-01P

La fréquence

1 MHz ±5%

Distance de détection

0053m

Le minimum

LMEDANCE parallèle

90Ω ± 20

Capacitance

1300pf ± 20@ 1khz

 

Sensibilité

Tension de conduite: 24 VPP 、 Distance: 0,3 m 、

Echo Amplitude: 300 mV

en fonctionnement

Tension

De pointe  Tension< 300vpp

en fonctionnement

Température

-40+ 80 ℃

Pression

≤3kilos ou 0,3 MPA

 

Angle

(Largeur de faisceau) Largeur du faisceau de demi-puissance @ -3db: 4,5 ° ± 1 ,

Angle tranchant: 10,5 ° ± 2

Logement  Matériel

Pom

 

Usage

débitmètre ultrasonique

Installation

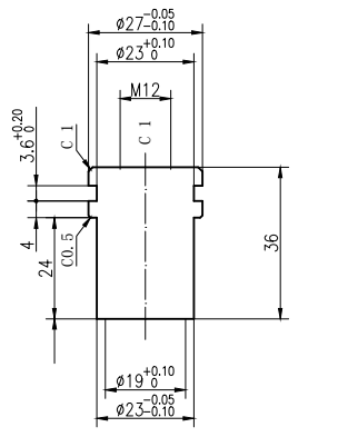
Dimension

Voir le dessin de la structure du produit

Niveau de protection

IP68

Lester

40g ± 5% (Lengouffer1,5 m

Instructions de câblage

     Type intégré: rouge + , blanc- , noir: fil blindé ;

(sans pour autant capteur de température par défaut)

Courbe d'admission

Diagramme de structure de produit

 

QXY8 {% 78VQ8PRH_8_6AW  

 

6 @ x00% nn $ _k7% l8 $ aou` @ tl


 

Schéma du capteur de température de transducteurs etSchéma du circuit de test:


0) bspbfpja {p`6ks @ w0d $ dd


 



 

 



 

 



sur: 
En vertu d'un: 

Produits chauds

Piezo Hannas (WuHan) Tech Co,.Ltd est un fabricant professionnel de céramiques piézoélectriques et de transducteurs à ultrasons, dédié à la technologie ultrasonique et aux applications industrielles.

RECOMMANDER

NOUS CONTACTER

Ajouter: No.456 Wu Luo Road, district de Wuchang, City Wuhan, province de Hubei, Chine.
E-mail:sales@piezohannas.com
Tél: +86 27 84898868
Téléphone: +86 + 18986196674
QQ: 1553242848
Skype: Live: Mary_14398
Copyright 2017    Piezo Hannas (WuHan) Tech Co,.Ltd.All rights reserved.                     
Des produits