Piezo Hannas (WuHan) Tech Co,.Ltd .- Fournisseur d'éléments piézocéramiques professionnels
Produits
Vous êtes ici: Maison / Des produits / Transducteurs à ultrasons / Transducteur de profondeur / Mesure de profondeur de transducteur à ultrasons en acier inoxydable 200KHz pour télémètre à ultrasons
Produits de gros à haute fréquence pour les fabricants et les usines:

Retour d'information

loading

Partager sur:
sharethis sharing button

Mesure de profondeur de transducteur à ultrasons en acier inoxydable 200KHz pour télémètre à ultrasons

Application: Sous-marin Ultrasonic Range Finder
État de disponibilité:
Quantité:
  • Phw-200-g

  • Piezohannas

  • PHW-200-G

Mesure de la profondeur du transducteur à ultrasons en acier inoxydable à 200 kHz pour le chercheur de gamme à ultrasons

 

 


1. Paramètres techniques:


Articles

Paramètres techniques

Image

Nom

200 kHzultrasonic sous-marin transducteur

{Tl _]) 9 $} 0] fxqle47md} f9  

XIT8X1DWUJJ) (%] ZODV`) FW  

Modèle

PHW-200 g

La fréquence

200Khz±5%

Distance de détection

0.4010,0 m

Le minimum

LMEDANCE parallèle

2100Ω ± 20

Capacitance

1000pf ± 20@ 1khz

 

Sensibilité

Tension de conduite: 24 VPP 、 Distance: 0,3 m 、

Echo Amplitude: 200 mV

en fonctionnement

Tension

De pointe  Tension< 1500vpp

en fonctionnement

Température

-10+50 ℃

Pression

5MPA

 

Angle

(Largeur de faisceau) Largeur du faisceau de demi-puissance @ -3db: 15 ° ± 2 ,

Angle tranchant: 35 ° ± 4

Logement  Matériel

316

 

Usage

Finder de la gamme de sous-marins

Installation

Dimension

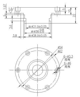
Voir le dessin de la structure du produit

Niveau de protection

IP68

Lester

280g ± 5% (Longueur: 1m)

Instructions de câblage

Rouge + , noir-, jaune, blanc: thalpose mf58 deux pôles ;

Courbe d'admission

Diagramme de structure de produit

[Bm6mo07isoxhn) lsl [v2  

Jn3h $ _7 (9nzl @% az} 7d` (r



2. Diagramme schématique du capteur de température du transducteur, diagramme schématique du circuit de test



0ryjg8d (6_q9xm% 86pdg

 O3`1pa5yr5% Z5`dq1r




sur: 
En vertu d'un: 

Produits chauds

Piezo Hannas (WuHan) Tech Co,.Ltd est un fabricant professionnel de céramiques piézoélectriques et de transducteurs à ultrasons, dédié à la technologie ultrasonique et aux applications industrielles.

RECOMMANDER

NOUS CONTACTER

Ajouter: No.456 Wu Luo Road, district de Wuchang, City Wuhan, province de Hubei, Chine.
E-mail:sales@piezohannas.com
Tél: +86 27 84898868
Téléphone: +86 + 18986196674
QQ: 1553242848
Skype: Live: Mary_14398
Copyright 2017    Piezo Hannas (WuHan) Tech Co,.Ltd.All rights reserved.                     
Des produits