Piezo Hannas (WuHan) Tech Co,.Ltd .- Fournisseur d'éléments piézocéramiques professionnels
Produits
Vous êtes ici: Maison / Des produits / Transducteurs à ultrasons / Transducteur de profondeur / Capteur de transducteur à ultrasons sous-marin 1Mhz pour débitmètre à ultrasons
Produits de gros à haute fréquence pour les fabricants et les usines:

Retour d'information

loading

Partager sur:
sharethis sharing button

Capteur de transducteur à ultrasons sous-marin 1Mhz pour débitmètre à ultrasons

Application: débitmètre à ultrasons , Finder de la gamme de sous-marins
État de disponibilité:
Quantité:
  • PhW-1M-01Z

  • Piezohannas

  • PHW-1M-01Z

Capteur transducteur ultrasonique sous-marine à 1 MHz pour le débitmètre à ultrasons

 

FEC99E9987013B71BDABC89A185D5E24

 


Paramètres techniques:

 

 

Articles

Paramètres techniques

Image

Nom

1MHz  ultrasonic sous-marin transducteur

] Buzs3t1mwevk9y87k) _4ay  

Dp3f @ 4ge% h @]% [wg4zx7r1  

Modèle

PHW-1m-01Z

La fréquence

1 MHz ±5%

Distance de détection

0053m

Le minimum

LMEDANCE parallèle

50Ω ± 20

Capacitance

1750pf ± 20@ 1khz

 

Sensibilité

Tension de conduite: 24 VPP 、 Distance: 0,3 m 、

Echo Amplitude: 700 mV

en fonctionnement

Tension

De pointe  Tension< 300vpp

en fonctionnement

Température

-40+ 80 ℃

Pression

≤3Kilos ou  0,3 MPA

 

Angle

(Largeur de faisceau) Largeur du faisceau de demi-puissance @ -3db: 2,9 ° ± 1 ,

Angle tranchant: 6,8 ° ± 2

Logement  Matériel

matériau composite

 

Usage

Débit ultrasonique , Finder de la gamme de sous-marins

Installation

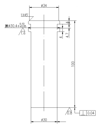
Dimension

Voir le dessin de la structure du produit

Niveau de protection

IP68

Lester

110g ± 5% (Lengouffer2m

Instructions de câblage

     Blanc + , noir-, Fil blindé ;

(sans pour autant capteur de température par défaut)

Courbe d'admission

Diagramme de structure de produit

2G] PBL %%} {cu) vt @ 2d_iv4  

Krw32} ko) a5) 3 $ la ((xap




Spectacle de production:


53F9611B550D7E461127C8DDB7285262


 8522ECAC3D04D4A410C37A88A67F761C


sur: 
En vertu d'un: 

Produits chauds

Piezo Hannas (WuHan) Tech Co,.Ltd est un fabricant professionnel de céramiques piézoélectriques et de transducteurs à ultrasons, dédié à la technologie ultrasonique et aux applications industrielles.

RECOMMANDER

NOUS CONTACTER

Ajouter: No.456 Wu Luo Road, district de Wuchang, City Wuhan, province de Hubei, Chine.
E-mail:sales@piezohannas.com
Tél: +86 27 84898868
Téléphone: +86 + 18986196674
QQ: 1553242848
Skype: Live: Mary_14398
Copyright 2017    Piezo Hannas (WuHan) Tech Co,.Ltd.All rights reserved.                     
Des produits