| État de disponibilité: | |
|---|---|
| Quantité: | |
HS / M20KA
Piezohannas
HS/M20KA
Transducteur acoustique sous-marine personnalisé de 20 kHz pour les modems acoustiques
Paramètres techniques:
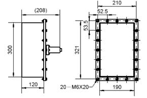
Modèle | HS / M20KA (transducteur en profondeur) |
|
fréquence de résonance | 20 kHz | |
Groupe de travail | △ f≥3,6 kHz | |
Réponse de tension de transmission | ≥162 dB | |
Capac statiqueitance | 90000pf(20 kHz) | |
Terriblectivité | 2θ-3db:Rouler ≥ 20 ° et hauteur ≥10 ° | |
recevoir une sensibilité à la tension | ≥800 μV / PA | |
Profondeur de travail | 300m | |
Spécification du câbleficciation | Φ14 mm,2 × 1,5 bouclier | |
Lester | 50 kg | |
Application:
Recherche sur l'acoustique sous-marine
Étalonnage du champ acoustique
Applications militaires et scientifiques
Cas de demande de transducteur acoustique sous-marin
Selon les besoins des clients, nous pouvons concevoir et produire des transducteurs ultrasoniques piézoélectriques, Transducteur acoustique sous-marin, sondes à ultrasons et capteurs de différentes fréquences avec des performances stables et de haute qualité.

2 Calibration des hydrophones vectoriels dans les eaux profondes, la profondeur de travail maximale peut atteindre 3000 m, qui peut être utilisée pour les éléments de réseau linéaire remplis d'huile

3 et 3 La réponse en émission la plus élevée du transducteur acoustique sphérique empilé peut atteindre 156 dB, et le niveau de source sonore le plus élevé peut atteindre 202 dB, ce qui est plus de 6 dB plus élevé que les transducteurs sphériques ordinaires de la même taille.
4 Transducteur d'hydrophone vecteur monocristal
Par rapport aux transducteurs en céramique piézoélectrique, la taille du transducteur d'émission monocristal PIN-PMN-PT est réduite de plus de 1/3, le niveau de réponse de tension de transmission est de 2 ~ 10 dB plus élevé, la bande passante d'impédance est environ deux fois plus élevée et le -3 dB La bande passante est environ deux fois plus élevée. Fois; La sensibilité à la réception est de 3 à 5 dB plus élevée. L'hydrophone vectoriel monocristalle a un faible mouvement de mouvement et la sensibilité est 4 ~ 6 dB plus élevée que l'hydrophone vectoriel piézoélectrique de la même taille.
5. Hydrophone de vecteur d'installation fixe
En utilisant la colonne centrale comme base fixe, le mode de travail de cisaillement en céramique, la bande de fréquence de travail est de 100 à 5000 Hz, l'installation est simple, les performances sont stables et peuvent remplacer la plupart des hydrophones vectoriels installés sur diverses plates-formes.
Le réflecteur en forme de cône est utilisé pour refléter les ondes sonores rayonnées circonférentielles du transducteur toroïdal à la surface finale pour fonctionner, et un rayonnement acoustique relativement stable du faisceau peut être réalisé sur la surface finale.
Transducteur acoustique sous-marine personnalisé de 20 kHz pour les modems acoustiques
Paramètres techniques:
Modèle | HS / M20KA (transducteur en profondeur) |
|
fréquence de résonance | 20 kHz | |
Groupe de travail | △ f≥3,6 kHz | |
Réponse de tension de transmission | ≥162 dB | |
Capac statiqueitance | 90000pf(20 kHz) | |
Terriblectivité | 2θ-3db:Rouler ≥ 20 ° et hauteur ≥10 ° | |
recevoir une sensibilité à la tension | ≥800 μV / PA | |
Profondeur de travail | 300m | |
Spécification du câbleficciation | Φ14 mm,2 × 1,5 bouclier | |
Lester | 50 kg | |
Application:
Recherche sur l'acoustique sous-marine
Étalonnage du champ acoustique
Applications militaires et scientifiques
Cas de demande de transducteur acoustique sous-marin
Selon les besoins des clients, nous pouvons concevoir et produire des transducteurs ultrasoniques piézoélectriques, Transducteur acoustique sous-marin, sondes à ultrasons et capteurs de différentes fréquences avec des performances stables et de haute qualité.

2 Calibration des hydrophones vectoriels dans les eaux profondes, la profondeur de travail maximale peut atteindre 3000 m, qui peut être utilisée pour les éléments de réseau linéaire remplis d'huile

3 et 3 La réponse en émission la plus élevée du transducteur acoustique sphérique empilé peut atteindre 156 dB, et le niveau de source sonore le plus élevé peut atteindre 202 dB, ce qui est plus de 6 dB plus élevé que les transducteurs sphériques ordinaires de la même taille.
4 Transducteur d'hydrophone vecteur monocristal
Par rapport aux transducteurs en céramique piézoélectrique, la taille du transducteur d'émission monocristal PIN-PMN-PT est réduite de plus de 1/3, le niveau de réponse de tension de transmission est de 2 ~ 10 dB plus élevé, la bande passante d'impédance est environ deux fois plus élevée et le -3 dB La bande passante est environ deux fois plus élevée. Fois; La sensibilité à la réception est de 3 à 5 dB plus élevée. L'hydrophone vectoriel monocristalle a un faible mouvement de mouvement et la sensibilité est 4 ~ 6 dB plus élevée que l'hydrophone vectoriel piézoélectrique de la même taille.
5. Hydrophone de vecteur d'installation fixe
En utilisant la colonne centrale comme base fixe, le mode de travail de cisaillement en céramique, la bande de fréquence de travail est de 100 à 5000 Hz, l'installation est simple, les performances sont stables et peuvent remplacer la plupart des hydrophones vectoriels installés sur diverses plates-formes.
Le réflecteur en forme de cône est utilisé pour refléter les ondes sonores rayonnées circonférentielles du transducteur toroïdal à la surface finale pour fonctionner, et un rayonnement acoustique relativement stable du faisceau peut être réalisé sur la surface finale.