| État de disponibilité: | |
|---|---|
| Quantité: | |
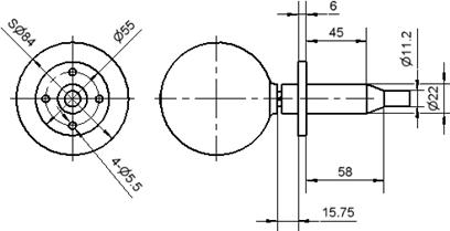
HS / T24
Piezohannas
HS/T24
Transducteur de transmission sphérique 24KHz transducteur acoustique sous-marine
Paramètres techniques:
Modèle | HS / T24 |
|
fréquence de résonance | 24 kHz | |
Groupe de travail | 16 kHz ~ 40 kHz | |
Réponse de tension de transmission | Svl≥146 dB | |
StaticCapacitation | 1200pf | |
Niveau de source sonore (SL) | SL≥ 195 dB | |
Profondeur de travail | 300m | |
CpouvoirSpécification | Φ11,2 mm Câble blindé à double noyau | |
Application:
Recherche sur l'acoustique sous-marine
Étalonnage du champ acoustique
Applications militaires et scientifiques
Types de transducteur acoustique sous-marin
1. Fréquence de location, eaux profondes, transducteur haute puissance
Série de transducteurs à basse fréquence: Il existe différents types de transducteurs de flexion, transducteurs à tube circulaire à fentes, transducteurs de flexion à lattes, transducteurs de disque de flexion combinés, etc. La fréquence de fonctionnement minimale a été aussi faible que 20 Hz;
Série de transducteurs en eau profonde: Il existe trois types de produits: type de débordement, type d'équilibre de pression rempli d'huile et type de pression autonome, la résistance à la pression maximale a atteint 80 MPA;
Série de transducteurs de transmission haute puissance: Le niveau de source sonore peut atteindre plus de 207 dB près de 350 Hz.
2. Transducteur à anneau de mosaïque
La société a la capacité de concevoir et de fabriquer des anneaux de mosaïque d'un diamètre de 30 mm ~ 800 mm, la fréquence peut couvrir 0,5 kHz ~ 50 kHz, le niveau de source sonore d'émission le plus élevé d'un seul transducteur peut atteindre 202 dB, et la bande de fréquence de travail efficace peut atteindre plus de 2 fréquences d'octave. Sa forme structurelle principalement divisée en type à dos d'air et type de débordement, la profondeur de travail peut atteindre 500 m et 6 km respectivement.
3. Tableau de ligne
L'entreprise a la capacité de concevoir et de fabriquer des réseaux linéaires remplis d'huile, des réseaux linéaires de câbles et des réseaux linéaires rigides. Le réseau rempli d'huile peut réaliser le réseau linéaire rempli d'huile avec le plus petit diamètre extérieur de 20 mm, et le plus long segment de tableau unique peut atteindre 80 m.
4. Transducteur sphérique
L'entreprise possède des technologies de conception et de production matures pour les transducteurs sphériques. À l'heure actuelle, il a formé une série complète de transducteurs sphériques d'un diamètre de 20 mm à 166 mm après l'emballage; La fréquence de couverture de transmission est de 3 kHz à 150 kHz; La fréquence de couverture de réception est de 5 Hz à 100 kHz +; La profondeur de travail est la plus élevée jusqu'à 5 km ou plus.
5. Hydrophone vectoriel
La société est la première entreprise de l'industrie à développer des hydrophones vectoriels et ses applications d'ingénierie. Les hydrophones de vecteur de pression différentielle et les hydrophones vectoriels de co-vibration développés sont stables et fiables. La bande de fréquences de travail peut couvrir 5 Hz ~ 120 kHz, et la profondeur de travail maximale peut atteindre 3000 m. Afin d'améliorer l'adéquation de l'hydrophone du vecteur de co-vibration, notre société a mené des recherches approfondies sur la méthode d'installation, le mode d'impact du courant et la suspension étanche, etc., et réalisé l'hydrophone du vecteur d'installation fixe, la structure remplie d'huile et la gratuité suspension, etc. une variété de résultats, et possède les capacités de conception et de fabrication des réseaux de lignes d'hydrophone vectoriels et des tableaux remorqués.
Cas de demande de transducteur acoustique sous-marin
Selon les besoins des clients, nous pouvons concevoir et produire des transducteurs ultrasoniques piézoélectriques, Transducteur acoustique sous-marin, sondes à ultrasons et capteurs de différentes fréquences avec des performances stables et de haute qualité.

2 Calibration des hydrophones vectoriels dans les eaux profondes, la profondeur de travail maximale peut atteindre 3000 m, qui peut être utilisée pour les éléments de réseau linéaire remplis d'huile

3 et 3 La réponse en émission la plus élevée du transducteur acoustique sphérique empilé peut atteindre 156 dB, et le niveau de source sonore le plus élevé peut atteindre 202 dB, ce qui est plus de 6 dB plus élevé que les transducteurs sphériques ordinaires de la même taille.
4 Transducteur d'hydrophone vecteur monocristal
Par rapport aux transducteurs en céramique piézoélectrique, la taille du transducteur d'émission monocristal PIN-PMN-PT est réduite de plus de 1/3, le niveau de réponse de tension de transmission est de 2 ~ 10 dB plus élevé, la bande passante d'impédance est environ deux fois plus élevée et le -3 dB La bande passante est environ deux fois plus élevée. Fois; La sensibilité à la réception est de 3 à 5 dB plus élevée. L'hydrophone vectoriel monocristalle a un faible mouvement de mouvement et la sensibilité est 4 ~ 6 dB plus élevée que l'hydrophone vectoriel piézoélectrique de la même taille.
5. Hydrophone de vecteur d'installation fixe
En utilisant la colonne centrale comme base fixe, le mode de travail de cisaillement en céramique, la bande de fréquence de travail est de 100 à 5000 Hz, l'installation est simple, les performances sont stables et peuvent remplacer la plupart des hydrophones vectoriels installés sur diverses plates-formes.
Le réflecteur en forme de cône est utilisé pour refléter les ondes sonores rayonnées circonférentielles du transducteur toroïdal à la surface finale pour fonctionner, et un rayonnement acoustique relativement stable du faisceau peut être réalisé sur la surface finale.
Transducteur de transmission sphérique 24KHz transducteur acoustique sous-marine
Paramètres techniques:
Modèle | HS / T24 |
|
fréquence de résonance | 24 kHz | |
Groupe de travail | 16 kHz ~ 40 kHz | |
Réponse de tension de transmission | Svl≥146 dB | |
StaticCapacitation | 1200pf | |
Niveau de source sonore (SL) | SL≥ 195 dB | |
Profondeur de travail | 300m | |
CpouvoirSpécification | Φ11,2 mm Câble blindé à double noyau | |
Application:
Recherche sur l'acoustique sous-marine
Étalonnage du champ acoustique
Applications militaires et scientifiques
Types de transducteur acoustique sous-marin
1. Fréquence de location, eaux profondes, transducteur haute puissance
Série de transducteurs à basse fréquence: Il existe différents types de transducteurs de flexion, transducteurs à tube circulaire à fentes, transducteurs de flexion à lattes, transducteurs de disque de flexion combinés, etc. La fréquence de fonctionnement minimale a été aussi faible que 20 Hz;
Série de transducteurs en eau profonde: Il existe trois types de produits: type de débordement, type d'équilibre de pression rempli d'huile et type de pression autonome, la résistance à la pression maximale a atteint 80 MPA;
Série de transducteurs de transmission haute puissance: Le niveau de source sonore peut atteindre plus de 207 dB près de 350 Hz.
2. Transducteur à anneau de mosaïque
La société a la capacité de concevoir et de fabriquer des anneaux de mosaïque d'un diamètre de 30 mm ~ 800 mm, la fréquence peut couvrir 0,5 kHz ~ 50 kHz, le niveau de source sonore d'émission le plus élevé d'un seul transducteur peut atteindre 202 dB, et la bande de fréquence de travail efficace peut atteindre plus de 2 fréquences d'octave. Sa forme structurelle principalement divisée en type à dos d'air et type de débordement, la profondeur de travail peut atteindre 500 m et 6 km respectivement.
3. Tableau de ligne
L'entreprise a la capacité de concevoir et de fabriquer des réseaux linéaires remplis d'huile, des réseaux linéaires de câbles et des réseaux linéaires rigides. Le réseau rempli d'huile peut réaliser le réseau linéaire rempli d'huile avec le plus petit diamètre extérieur de 20 mm, et le plus long segment de tableau unique peut atteindre 80 m.
4. Transducteur sphérique
L'entreprise possède des technologies de conception et de production matures pour les transducteurs sphériques. À l'heure actuelle, il a formé une série complète de transducteurs sphériques d'un diamètre de 20 mm à 166 mm après l'emballage; La fréquence de couverture de transmission est de 3 kHz à 150 kHz; La fréquence de couverture de réception est de 5 Hz à 100 kHz +; La profondeur de travail est la plus élevée jusqu'à 5 km ou plus.
5. Hydrophone vectoriel
La société est la première entreprise de l'industrie à développer des hydrophones vectoriels et ses applications d'ingénierie. Les hydrophones de vecteur de pression différentielle et les hydrophones vectoriels de co-vibration développés sont stables et fiables. La bande de fréquences de travail peut couvrir 5 Hz ~ 120 kHz, et la profondeur de travail maximale peut atteindre 3000 m. Afin d'améliorer l'adéquation de l'hydrophone du vecteur de co-vibration, notre société a mené des recherches approfondies sur la méthode d'installation, le mode d'impact du courant et la suspension étanche, etc., et réalisé l'hydrophone du vecteur d'installation fixe, la structure remplie d'huile et la gratuité suspension, etc. une variété de résultats, et possède les capacités de conception et de fabrication des réseaux de lignes d'hydrophone vectoriels et des tableaux remorqués.
Cas de demande de transducteur acoustique sous-marin
Selon les besoins des clients, nous pouvons concevoir et produire des transducteurs ultrasoniques piézoélectriques, Transducteur acoustique sous-marin, sondes à ultrasons et capteurs de différentes fréquences avec des performances stables et de haute qualité.

2 Calibration des hydrophones vectoriels dans les eaux profondes, la profondeur de travail maximale peut atteindre 3000 m, qui peut être utilisée pour les éléments de réseau linéaire remplis d'huile

3 et 3 La réponse en émission la plus élevée du transducteur acoustique sphérique empilé peut atteindre 156 dB, et le niveau de source sonore le plus élevé peut atteindre 202 dB, ce qui est plus de 6 dB plus élevé que les transducteurs sphériques ordinaires de la même taille.
4 Transducteur d'hydrophone vecteur monocristal
Par rapport aux transducteurs en céramique piézoélectrique, la taille du transducteur d'émission monocristal PIN-PMN-PT est réduite de plus de 1/3, le niveau de réponse de tension de transmission est de 2 ~ 10 dB plus élevé, la bande passante d'impédance est environ deux fois plus élevée et le -3 dB La bande passante est environ deux fois plus élevée. Fois; La sensibilité à la réception est de 3 à 5 dB plus élevée. L'hydrophone vectoriel monocristalle a un faible mouvement de mouvement et la sensibilité est 4 ~ 6 dB plus élevée que l'hydrophone vectoriel piézoélectrique de la même taille.
5. Hydrophone de vecteur d'installation fixe
En utilisant la colonne centrale comme base fixe, le mode de travail de cisaillement en céramique, la bande de fréquence de travail est de 100 à 5000 Hz, l'installation est simple, les performances sont stables et peuvent remplacer la plupart des hydrophones vectoriels installés sur diverses plates-formes.
Le réflecteur en forme de cône est utilisé pour refléter les ondes sonores rayonnées circonférentielles du transducteur toroïdal à la surface finale pour fonctionner, et un rayonnement acoustique relativement stable du faisceau peut être réalisé sur la surface finale.