Piezo Hannas (WuHan) Tech Co,.Ltd .- Fournisseur d'éléments piézocéramiques professionnels
Produits
Vous êtes ici: Maison / Des produits / Transducteurs à ultrasons / Transducteur pour débitmètre / Pince 4Mhz sur transducteurs ultrasoniques piezo externes pour débitmètre d'eau
Produits de gros à haute fréquence pour les fabricants et les usines:

Retour d'information

loading

Partager sur:
sharethis sharing button

Pince 4Mhz sur transducteurs ultrasoniques piezo externes pour débitmètre d'eau

Capteurs transducteurs ultrasoniques 4 MHz qui ne sont pas en contact avec l'eau (serrez dans le tuyau)
État de disponibilité:
Quantité:
  • Phw-4m-01b

  • Piezohannas

  • PHW-4M-01B

Pince 4 MHz sur des transducteurs ultrasoniques piézores externes pour le flux d'eau 


Pince 4 MHz sur des transducteurs ultrasoniques piézores externes pour le flux d'eau

 


paramètres techniques:

 

Articles

Paramètres techniques

Image

Nom

4MHz  transducteur à ultrasons

 

Xomwx14`wt4tshnpf  

Modèle

PHW-4m-01b

La fréquence

4MHz±5%

Le minimum

LMEDANCE parallèle

85Ω ±20

Capacitance

800PF±20@ 1khz

 

Sensibilité

pas de charge  Tension de conduite50Vrecevoir et transmettre

Tuyau d'air de 8 mm,Recevant une amplitude  150mV

en fonctionnement

Tension

De pointe  Tension75VPP

en fonctionnement

Température

-40+80

Pression

10Kilos ou1MPA

Logement  Matériel

PI

 

Usage

Commutateur de niveau liquide, débitmètre

Installation

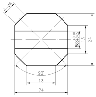
Dimension

Voir le dessin de la structure du produit pour plus de détails

Niveau de protection

IP68

Lester

11.5g±5% (longueur10cm

Instructions de câblage

     Rouge: transducteur +, blanc: transducteur, noir: fil blindé; (sans capteur de température par défaut)

Courbe d'admission

Diagramme de structure de produit

 

3DCIS_K (wk5_`wwqxrda  

L1URS5VG3PU2Z5NE7G1  

7YG69USD8PSTC3DN  




 


 



sur: 
En vertu d'un: 

Produits chauds

Piezo Hannas (WuHan) Tech Co,.Ltd est un fabricant professionnel de céramiques piézoélectriques et de transducteurs à ultrasons, dédié à la technologie ultrasonique et aux applications industrielles.

RECOMMANDER

NOUS CONTACTER

Ajouter: No.456 Wu Luo Road, district de Wuchang, City Wuhan, province de Hubei, Chine.
E-mail:sales@piezohannas.com
Tél: +86 27 84898868
Téléphone: +86 + 18986196674
QQ: 1553242848
Skype: Live: Mary_14398
Copyright 2017    Piezo Hannas (WuHan) Tech Co,.Ltd.All rights reserved.                     
Des produits