| État de disponibilité: | |
|---|---|
| Quantité: | |
PH30F0620
Piezohannas
PH30F0620
Capteur à ultrasons de 30 kHz pour mesurer la distance de 20 m
Introduction:
Le capteur à ultrasons PH30F0620 a les fonctions de l'émetteur et du récepteur. C'est un type à longue portée, peut généralement être utilisé pour le chercheur à ultrasons, le capteur à ultrasons pour les objets de détection sans contact, le capteur de distance à ultrasons, le capteur de niveau de liquide à ultrasons, etc. Si vous avez des questions pour d'autres applications, veuillez nous contacter pour plus de détails.
Paramètres techniques:
Modèle | PH30F0620 |
Fréquence de résonance centrale (khz) | 30KHz ± 2,0 kHz |
Bande passante | 3.0khz |
Distance de détection | 06~20m |
Angles morts | <06m |
Lancez le faisceau d'angle (total -6 dB) | 14 ± 2 ° |
Sensible | -65db min |
Capacité électrostatique | 7000pf ± 20% |
Impédance parallèle minimale | 200Ω ± 30% |
Tension de travail maximale (impulsion - cycle de service de 2%) | 1800 VP-P |
Température de fonctionnement | -20 ~ 70℃ |
Température de stockage | -40 ~ 85℃ |
Niveau de protection | IP65 |
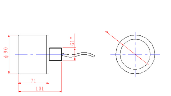
Taille (diamètre * hauteur, mm) | Φ90x103 |
Installation | Fixé de vis |
Boîtier | PVC |
Longueur de câble | 3 m (peut être personnalisé) |
Lester | 1.5kg |
Photo:
Dimension de contour:
Courbe de résistance à la fréquence:
La fréquence-Angle de phase Courbe:
Test de sensibilité:
Tension de transmission:400VP-P; période:50; Distance: 1.5M
Dirréctivité Courbe:
Caractéristiques des capteurs à ultrasons:
1. Taille et poids léger
2 Sensibilité élevée et pression sonore élevée
3. Consommation d'énergie
4. Fiabilité élevée
Caractéristique:
1. Joint de semblance d'activité (extérieur en PVC couvrant)
2.Condément de thread de confidence (G1 \")
Application:
1. emplacement de position
2. Mesure de l'approche
3. Mesure de la traction
4.Ansexation des obstacles
Capteur à ultrasons de 30 kHz pour mesurer la distance de 20 m
Introduction:
Le capteur à ultrasons PH30F0620 a les fonctions de l'émetteur et du récepteur. C'est un type à longue portée, peut généralement être utilisé pour le chercheur à ultrasons, le capteur à ultrasons pour les objets de détection sans contact, le capteur de distance à ultrasons, le capteur de niveau de liquide à ultrasons, etc. Si vous avez des questions pour d'autres applications, veuillez nous contacter pour plus de détails.
Paramètres techniques:
Modèle | PH30F0620 |
Fréquence de résonance centrale (khz) | 30KHz ± 2,0 kHz |
Bande passante | 3.0khz |
Distance de détection | 06~20m |
Angles morts | <06m |
Lancez le faisceau d'angle (total -6 dB) | 14 ± 2 ° |
Sensible | -65db min |
Capacité électrostatique | 7000pf ± 20% |
Impédance parallèle minimale | 200Ω ± 30% |
Tension de travail maximale (impulsion - cycle de service de 2%) | 1800 VP-P |
Température de fonctionnement | -20 ~ 70℃ |
Température de stockage | -40 ~ 85℃ |
Niveau de protection | IP65 |
Taille (diamètre * hauteur, mm) | Φ90x103 |
Installation | Fixé de vis |
Boîtier | PVC |
Longueur de câble | 3 m (peut être personnalisé) |
Lester | 1.5kg |
Photo:
Dimension de contour:
Courbe de résistance à la fréquence:
La fréquence-Angle de phase Courbe:
Test de sensibilité:
Tension de transmission:400VP-P; période:50; Distance: 1.5M
Dirréctivité Courbe:
Caractéristiques des capteurs à ultrasons:
1. Taille et poids léger
2 Sensibilité élevée et pression sonore élevée
3. Consommation d'énergie
4. Fiabilité élevée
Caractéristique:
1. Joint de semblance d'activité (extérieur en PVC couvrant)
2.Condément de thread de confidence (G1 \")
Application:
1. emplacement de position
2. Mesure de l'approche
3. Mesure de la traction
4.Ansexation des obstacles