Piezo Hannas (WuHan) Tech Co,.Ltd .- Fournisseur d'éléments piézocéramiques professionnels
Produits
Vous êtes ici: Maison / Des produits / Transducteurs à ultrasons / Transducteur de distance / Ultrasons de transducteur piézoélectrique à longue portée 15KHz pour une distance de 45M
Produits de gros à haute fréquence pour les fabricants et les usines:

Retour d'information

loading

Partager sur:
sharethis sharing button

Ultrasons de transducteur piézoélectrique à longue portée 15KHz pour une distance de 45M

14 kHz | 15 ° | 1,0 ~ 45m | Utilisé pour le capteur de distance à ultrasons, le capteur de niveau de liquide à ultrasons, le chercheur de gamme à ultrasons, le capteur à ultrasons pour les objets de détection sans contact, etc.


À propos du transducteur à distance ultrasonique, nous pouvons offrir 14 kHz 22 kHz 40KHz 50KHz 75KHz 80KHz 125KHz 200KHz 300KHz 400KHz comme pour la fréquence résonante,
Nous pouvons également accorder la personnalisation.
État de disponibilité:
Quantité:
  • PH14F145

  • Piezohannas

  • PH14F145

Échographie du transducteur piézoélectrique à longue portée de 15 kHz pour une distance de 45 m


Échographie du transducteur piézoélectrique à longue portée de 15 kHz pour une distance de 45 m


Introduction:

 

Le capteur à ultrasons PH14F145 a les fonctions de l'émetteur et du récepteur. C'est un type à longue portée, peut généralement être utilisé pour le chercheur à ultrasons, le capteur à ultrasons pour les objets de détection sans contact, le capteur de distance à ultrasons, le capteur de niveau de liquide à ultrasons, etc. Si vous avez des questions pour d'autres applications, veuillez nous contacter pour plus de détails.



Paramètres techniques:


Modèle

PH14F145

Fréquence de résonance centrale (kHz)

14 kHz ± 2,0 kHz

Bande passante

1,5 kHz

Distance de détection

1,0 ~ 45m

Angles morts

<1,0 m

Lancez le faisceau d'angle (total -6 dB)

15 ± 2 °

Sensible

-55 dB min

Capacité électrostatique

11000pf ± 20%

Impédance parallèle minimale

280Ω ± 30%

Tension de travail maximale (impulsion - cycle de service de 2%)

4000vp-p

Température de fonctionnement

-20 ~ 70 ℃

Température de stockage

-40 ~ 85 ℃

Niveau de protection

IP65

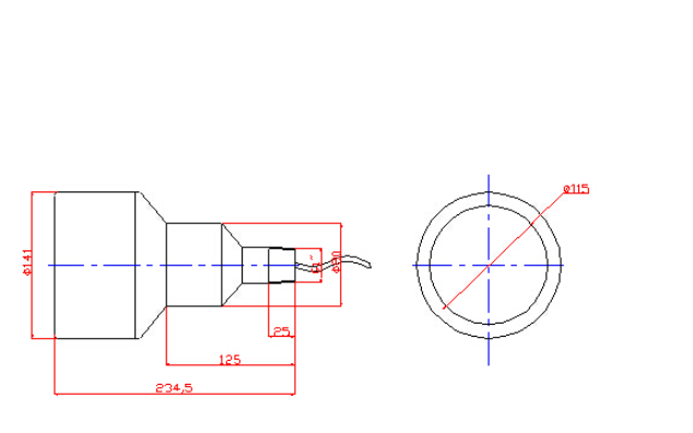
Taille (diamètre * hauteur, mm)

φ140x235

Installation

Fixé de vis

Boîtier

abdos

Longueur de câble

3 m (peut être personnalisé)

Lester

2,5 kg




Photo:


[$ Kod [) wrnoib} fufb [ch) i.png

Dimension de contour:


F169g1% 4j_wi)] ot`hz4 ({x


Courbe de résistance aux fréquences:


[V} HZ1% M0U8 @) N0G @ AJ68_L


La fréquence-Angle de phase Courbe:


Flk6h3_gdc72dz4hnj1k {fm


 Test de sensibilité:


Tension de transmission: 400VP-P; Période: 50; Distance: 1,5 m


Fs4z7vw`t [jfyt {eiq $] h @ u


 Dirréctivité Curve


5%} 4od9am) k46i) e65q {y8b

 

 

Caractéristique:

 

1. Joint de semblance d'activité (extérieur en PVC couvrant)

2.Condément de thread de confidence (G1 \")

 

Application:


1. emplacement de position

2. Mesure de l'approche

3. Mesure de la traction

4.Ansexation des obstacles


sur: 
En vertu d'un: 

Produits chauds

Piezo Hannas (WuHan) Tech Co,.Ltd est un fabricant professionnel de céramiques piézoélectriques et de transducteurs à ultrasons, dédié à la technologie ultrasonique et aux applications industrielles.

RECOMMANDER

NOUS CONTACTER

Ajouter: No.456 Wu Luo Road, district de Wuchang, City Wuhan, province de Hubei, Chine.
E-mail:sales@piezohannas.com
Tél: +86 27 84898868
Téléphone: +86 + 18986196674
QQ: 1553242848
Skype: Live: Mary_14398
Copyright 2017    Piezo Hannas (WuHan) Tech Co,.Ltd.All rights reserved.                     
Des produits