| État de disponibilité: | |
|---|---|
| Quantité: | |
Phw-1,5 m-l
Piezohannas
PHW-1.5M-L
Transducteur ultrasonique de 1,5 MHz pour la physiothérapie à ultrasons
Application pour Thérapie physique ultrasonique:
Frquency: 1 MHz, 3 MHz, double fréquence
Principe:
La compression et l'étirement mécaniques à ultrasons 1 MHz et 3 MHz peuvent produire des vibrations et un massage à un million par seconde avec une pénétration profonde, qui fonctionne sur chaque cellule profonde pour se réchauffer les tissus à l'intérieur et améliorer la circulation sanguine, pour favoriser le métabolisme, pour améliorer la perméabilité des cellules Pour que les nutriments soient efficacement absorbés, pour les cellules actives afin d'obtenir une amélioration de la texture de la peau, d'éclaircir et de resserrer la peau.
Paramètres techniques:
Articles | Paramètres techniques | Image | |
Nom | 1,5 MHz physiothérapie transducteur |
| |
Modèle | PHW-1,5M-L | ||
La fréquence | 1 MHz ±5% | ||
Distance de détection | 005~2m | ||
LMEDANCE PARALLEMENT | 20Ω ± 20% | ||
Capacitance | 3000pf ± 20%@ 1khz | ||
Sensibilité | Tension de conduite:24 VPP、Distance 0,3 m、 Écho amplitude 1,5 V | ||
en fonctionnement Tension | De pointe Tension< 400vpp | ||
en fonctionnement Température | -40~+ 80 ℃ | ||
Pression | ≤ 3 kilos ou 0,3 MPA | ||
Angle | Largeur de faisceau) Largeur du faisceau de demi-puissance @ -3db:2 ° ± 1 , Angle aigu 5 ° ± 2 | ||
Matériel de logement | Lv12 | ||
Usage | Physiothérapie à ultrasons | ||
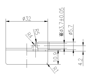
Installation Dimension | Vérification du diagramme de la structure des produits ci-dessous | ||
Niveau de protection | IP68 | ||
Lester | |||
Instructions de câblage | Intégré Interface:Rouge:transducteur+,Blanc:transducteur-, Noir: fil blindé, (sans capteur de température) | ||
Courbe d'admission | Diagramme de structure de produit | ||
| |||
Transducteur ultrasonique de 1,5 MHz pour la physiothérapie à ultrasons
Application pour Thérapie physique ultrasonique:
Frquency: 1 MHz, 3 MHz, double fréquence
Principe:
La compression et l'étirement mécaniques à ultrasons 1 MHz et 3 MHz peuvent produire des vibrations et un massage à un million par seconde avec une pénétration profonde, qui fonctionne sur chaque cellule profonde pour se réchauffer les tissus à l'intérieur et améliorer la circulation sanguine, pour favoriser le métabolisme, pour améliorer la perméabilité des cellules Pour que les nutriments soient efficacement absorbés, pour les cellules actives afin d'obtenir une amélioration de la texture de la peau, d'éclaircir et de resserrer la peau.
Paramètres techniques:
Articles | Paramètres techniques | Image | |
Nom | 1,5 MHz physiothérapie transducteur |
| |
Modèle | PHW-1,5M-L | ||
La fréquence | 1 MHz ±5% | ||
Distance de détection | 005~2m | ||
LMEDANCE PARALLEMENT | 20Ω ± 20% | ||
Capacitance | 3000pf ± 20%@ 1khz | ||
Sensibilité | Tension de conduite:24 VPP、Distance 0,3 m、 Écho amplitude 1,5 V | ||
en fonctionnement Tension | De pointe Tension< 400vpp | ||
en fonctionnement Température | -40~+ 80 ℃ | ||
Pression | ≤ 3 kilos ou 0,3 MPA | ||
Angle | Largeur de faisceau) Largeur du faisceau de demi-puissance @ -3db:2 ° ± 1 , Angle aigu 5 ° ± 2 | ||
Matériel de logement | Lv12 | ||
Usage | Physiothérapie à ultrasons | ||
Installation Dimension | Vérification du diagramme de la structure des produits ci-dessous | ||
Niveau de protection | IP68 | ||
Lester | |||
Instructions de câblage | Intégré Interface:Rouge:transducteur+,Blanc:transducteur-, Noir: fil blindé, (sans capteur de température) | ||
Courbe d'admission | Diagramme de structure de produit | ||
| |||