Piezo Hannas (WuHan) Tech Co,.Ltd .- Fournisseur d'éléments piézocéramiques professionnels
Produits
Vous êtes ici: Maison / Des produits / Transducteurs à ultrasons / Transducteur pour débitmètre / Transducteur de mesure de profondeur à ultrasons 500KHz 10M pour débitmètre à ultrasons
Produits de gros à haute fréquence pour les fabricants et les usines:

Retour d'information

loading

Partager sur:
sharethis sharing button

Transducteur de mesure de profondeur à ultrasons 500KHz 10M pour débitmètre à ultrasons

Application: débitmètre à ultrasons , Finder de la gamme de sous-marins
État de disponibilité:
Quantité:
  • Phw-500-f

  • Piezohannas

  • PHW-500-F

     Transducteur de mesure de 10m de profondeur à ultrasons de 500 kHz pour le débitmètre ultrasonique

 


1. Paramètres techniques:


Articles

Paramètres techniques

Image

Nom

500khz Ultrasonic sous-marine transducteur

7}) e [dehen31g (k9} 7m4yj1  

X`58% iych] lie4u% rrip1eb  

Modèle

PHW-500-F

La fréquence

500Khz±5%

Distance de détection

0.4010,0 m

Le minimum

LMEDANCE parallèle

280Ω ± 20

Capacitance

1200pf ± 20@ 1khz

 

Sensibilité

Tension de conduite: 24 VPP 、 Distance: 0,3 m 、

Echo Amplitude: 00 mV

en fonctionnement

Tension

De pointe  Tension600VPP

en fonctionnement

Température

-10+50 ℃

Pression

5MPA

 

Angle

(Largeur de faisceau) Largeur du faisceau de demi-puissance @ -3db: 6,7 ° ± 1 ,

Angle tranchant: 15,7 ° ± 2

Logement  Matériel

316

 

Usage

Finder de la gamme de sous-marins

Installation

Dimension

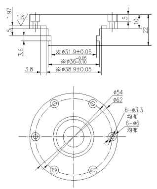
Voir le dessin de la structure du produit

Niveau de protection

IP68

Lester

280g ± 5(Longueur: 1m)

Instructions de câblage

   Rouge + , noir- , jaune, blanc: les deux pôles de la thalpose mf58

Courbe d'admission

Diagramme de structure de produit

F1`dki4yablqge2e)} 30dk3  

W @ cna0}} yxryb {v8g {@ 8t8y



2. Diagramme schématique du capteur de température du transducteur, diagramme schématique du circuit de test





0) bspbfpja {p`6ks @ w0d $ dd

 


sur: 
En vertu d'un: 

Produits chauds

Piezo Hannas (WuHan) Tech Co,.Ltd est un fabricant professionnel de céramiques piézoélectriques et de transducteurs à ultrasons, dédié à la technologie ultrasonique et aux applications industrielles.

RECOMMANDER

NOUS CONTACTER

Ajouter: No.456 Wu Luo Road, district de Wuchang, City Wuhan, province de Hubei, Chine.
E-mail:sales@piezohannas.com
Tél: +86 27 84898868
Téléphone: +86 + 18986196674
QQ: 1553242848
Skype: Live: Mary_14398
Copyright 2017    Piezo Hannas (WuHan) Tech Co,.Ltd.All rights reserved.                     
Des produits