Piezo Hannas (WuHan) Tech Co,.Ltd .- Fournisseur d'éléments piézocéramiques professionnels
Produits
Vous êtes ici: Maison / Des produits / Transducteurs à ultrasons / Transducteur pour compteur de gaz / Transducteur de distance ultrasonique matériel en alliage de titane 200KHz pour débitmètre de gaz à ultrasons
Produits de gros à haute fréquence pour les fabricants et les usines:

Retour d'information

loading

Partager sur:
sharethis sharing button

Transducteur de distance ultrasonique matériel en alliage de titane 200KHz pour débitmètre de gaz à ultrasons

Transducteur à ultrasons pour le flux de gaz à ultrasons
État de disponibilité:
Quantité:
  • Phal-200-01b

  • Piezohannas

  • PHAL-200-01B

 200 kHz Titanium Material Materif



Articles

Paramètres techniques

Image

Nom

200 kHz  transducteur à ultrasons

(L_Y (EFNS9} PFO9 (J% Q86K  

03) b (cnj8 {bt6xgzttmzey  

Modèle

PHAL-200-01B

La fréquence

10 mm

Distance de détection

200KHz ±5%

Le minimum

LMEDANCE parallèle

0.101,5 m

Capacitance

1200Ω ± 20

 

Sensibilité

380pf ± 20@ 1khz

en fonctionnement

Tension

Tension émettrice800vpp,distance:30 cm,recevoir et émettre

Tension de réception: 20 mV

en fonctionnement

Température

De pointe  Tension1000vpp

Pression

-40+ 80 ℃

 

Angle

16Kilos ou1.6MPA

Logement  Matériel

(Largeur de faisceau)Largeur du faisceau de demi-puissance @ -3db: 10 ° ± 2

Angle tranchant: 23 ° ± 4

 

Usage

alliage de titane

Installation

Dimension

Débit de gaz ultrasonique

Niveau de protection

personnalisable

Lester

IP68

Instructions de câblage

14g ± 5

Nom

integrattype edRouge +Blanc-Noir: fil blindé

 

Courbe d'admission

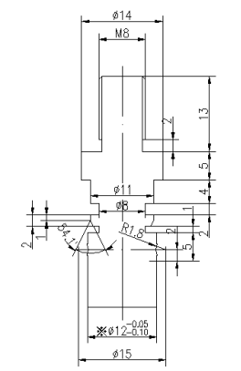
Diagramme de structure de produit

 

Ka) e2t7s @ duuhwykfkv {3  

6YMVX3L% `3NZCX8VRLZ47



Schéma de bloc de transducteur ultrasonique :


0ryjg8d (6_q9xm% 86pdg


Diagramme schématique du capteur de température:


O3`1pa5yr5% Z5`dq1r




sur: 
En vertu d'un: 

Produits chauds

Piezo Hannas (WuHan) Tech Co,.Ltd est un fabricant professionnel de céramiques piézoélectriques et de transducteurs à ultrasons, dédié à la technologie ultrasonique et aux applications industrielles.

RECOMMANDER

NOUS CONTACTER

Ajouter: No.456 Wu Luo Road, district de Wuchang, City Wuhan, province de Hubei, Chine.
E-mail:sales@piezohannas.com
Tél: +86 27 84898868
Téléphone: +86 + 18986196674
QQ: 1553242848
Skype: Live: Mary_14398
Copyright 2017    Piezo Hannas (WuHan) Tech Co,.Ltd.All rights reserved.                     
Des produits