| État de disponibilité: | |
|---|---|
| Quantité: | |
PhW-1M-01NA
Piezohannas
PHW-1M-01NA
Habillage en alliage en titane Mesure du débit transducteur ultrasonique pour le débitmètre à ultrasons
1. Introduction
USounder de Nderwatertransducteur les usages ondes ultrasoniques pour transmettre sous l'eau, et se reflète quand elles ou ils rencontrer l'objet mesuré. Il peut détecter distance entre le capteur et l'objet mesuré et alors transmission Pour les navires, les bouées, les véhicules aériens sans pilote sous-marins, etc. En tant que solide de profondeur, il peut également être utilisé pour la mesure de la distance sous-marine.
Le niveau de protection des produits atteint le niveau IP68, et il peut être trempé pendant longtemps sous l'eau 100 mètres sans dégâts.(Notez que la partie de sortie du câble de l'instrument doit être scellée de manière fiable après le câblage pour éviter l'eau)
2. Paramètres techniques:
Articles | Paramètres techniques | Image | |
Nom | 1 MHz ultrasonic sous-marin transducteur |
| |
Modèle | PHW-1M-01NA | ||
La fréquence | 1 MHz±5% | ||
Distance de détection | 005~3m | ||
Le minimum LMEDANCE parallèle | 90Ω ± 20% | ||
1040pf ± 20%@ 1khz | |||
Sensibilité | Émission de tension: 24vpp , Distance: 0,3 m , Amplitude d'écho: 400 mV | ||
-40~+ 80 ℃ | |||
≤3kilos ou 0.3MPA | |||
| (Largeur de faisceau) Largeur du faisceau de demi-puissance @ -3db: 5 ° ± 1 , Angle tranchant :: 11 ° ± 2 | ||
Logement Matériel | alliage de titane | ||
Usage | Débit ultrasonique , Finder de la gamme de sous-marins | ||
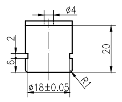
Voir le dessin de la structure du produit | |||
Niveau de protection | IP68 | ||
Lester | 28g ± 5%(Longueur: 13 cm) | ||
Instructions de câblage | Red + , blanc- , noir: fil blindé ; (sans pour autant capteur de température par défaut) | ||
Courbe d'admission | Diagramme de structure de produit | ||
|
| ||
2. Diagramme de blocs du transducteur à ultrasons :
3. Diagramme schématique du capteur de température du transducteur,
4. Type Instruction du câble:
1.Censeignement de violation du transducteur: Interface (3pin, terminal 2,54 mm)
Rouge: transducteur +
Blanc: transducteur -
Noir: protéger
2.Les instructions du capteur de température: Interface (3pin, terminal de 2,0 mm)
Le rouge et le noir sont le câblage du capteur de température
Habillage en alliage en titane Mesure du débit transducteur ultrasonique pour le débitmètre à ultrasons
1. Introduction
USounder de Nderwatertransducteur les usages ondes ultrasoniques pour transmettre sous l'eau, et se reflète quand elles ou ils rencontrer l'objet mesuré. Il peut détecter distance entre le capteur et l'objet mesuré et alors transmission Pour les navires, les bouées, les véhicules aériens sans pilote sous-marins, etc. En tant que solide de profondeur, il peut également être utilisé pour la mesure de la distance sous-marine.
Le niveau de protection des produits atteint le niveau IP68, et il peut être trempé pendant longtemps sous l'eau 100 mètres sans dégâts.(Notez que la partie de sortie du câble de l'instrument doit être scellée de manière fiable après le câblage pour éviter l'eau)
2. Paramètres techniques:
Articles | Paramètres techniques | Image | |
Nom | 1 MHz ultrasonic sous-marin transducteur |
| |
Modèle | PHW-1M-01NA | ||
La fréquence | 1 MHz±5% | ||
Distance de détection | 005~3m | ||
Le minimum LMEDANCE parallèle | 90Ω ± 20% | ||
1040pf ± 20%@ 1khz | |||
Sensibilité | Émission de tension: 24vpp , Distance: 0,3 m , Amplitude d'écho: 400 mV | ||
-40~+ 80 ℃ | |||
≤3kilos ou 0.3MPA | |||
| (Largeur de faisceau) Largeur du faisceau de demi-puissance @ -3db: 5 ° ± 1 , Angle tranchant :: 11 ° ± 2 | ||
Logement Matériel | alliage de titane | ||
Usage | Débit ultrasonique , Finder de la gamme de sous-marins | ||
Voir le dessin de la structure du produit | |||
Niveau de protection | IP68 | ||
Lester | 28g ± 5%(Longueur: 13 cm) | ||
Instructions de câblage | Red + , blanc- , noir: fil blindé ; (sans pour autant capteur de température par défaut) | ||
Courbe d'admission | Diagramme de structure de produit | ||
|
| ||
2. Diagramme de blocs du transducteur à ultrasons :
3. Diagramme schématique du capteur de température du transducteur,
4. Type Instruction du câble:
1.Censeignement de violation du transducteur: Interface (3pin, terminal 2,54 mm)
Rouge: transducteur +
Blanc: transducteur -
Noir: protéger
2.Les instructions du capteur de température: Interface (3pin, terminal de 2,0 mm)
Le rouge et le noir sont le câblage du capteur de température