| État de disponibilité: | |
|---|---|
| Quantité: | |
PH14F145
Piezohannas
PH14F145
Circuit de capteur à distance à long terme à longue portée à longue portée
Introduction:
Le capteur à ultrasons PH14F145 a les fonctions de l'émetteur et du récepteur. C'est un type à longue portée, peut généralement être utilisé pour le chercheur à ultrasons, le capteur à ultrasons pour les objets de détection sans contact, le capteur de distance à ultrasons, le capteur de niveau de liquide à ultrasons, etc. Si vous avez des questions pour d'autres applications, veuillez nous contacter pour plus de détails.
Paramètres techniques:
Modèle | PH14F145 |
Fréquence de résonance centrale (kHz) | 14 kHz ± 2,0 kHz |
Bande passante | 1,5 kHz |
Distance de détection | 1,0 ~ 45m |
Angles morts | <1,0 m |
Lancez le faisceau d'angle (total -6 dB) | 15 ± 2 ° |
Sensible | -55 dB min |
Capacité électrostatique | 11000pf ± 20% |
Impédance parallèle minimale | 280Ω ± 30% |
Tension de travail maximale (impulsion - cycle de service de 2%) | 4000vp-p |
Température de fonctionnement | -20 ~ 70 ℃ |
Température de stockage | -40 ~ 85 ℃ |
Niveau de protection | IP65 |
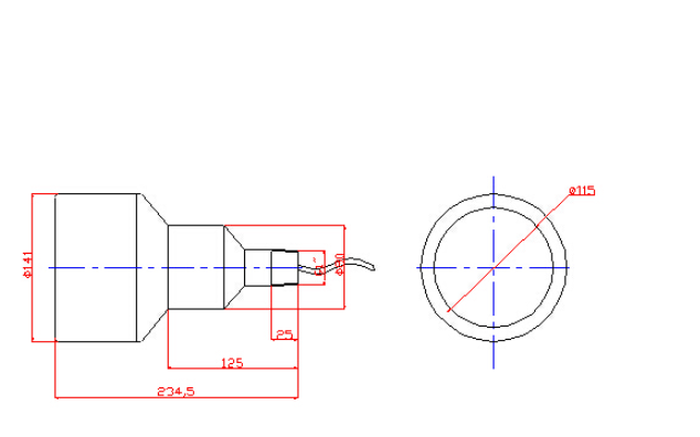
Taille (diamètre * hauteur, mm) | φ140x235 |
Installation | Fixé de vis |
Boîtier | abdos |
Longueur de câble | 3 m (peut être personnalisé) |
Lester | 2,5 kg |
Photo:
Dimension de contour:
Courbe de résistance aux fréquences:
La fréquence-Angle de phase Courbe:
Test de sensibilité:
Tension de transmission: 400VP-P; Période: 50; Distance: 1,5 m
Dirréctivité Curve:
FeATURES DE CAPTEURS ULLURES:
1. Taille et poids léger
2 Sensibilité élevée et pression sonore élevée
3. Consommation d'énergie
4. Fiabilité élevée
Caractéristique:
1. Joint de semblance d'activité (extérieur en PVC couvrant)
2.Condément de thread de confidence (G1 \")
Application:
1. emplacement de position
2. Mesure de l'approche
3. Mesure de la traction
4.Ansexation des obstacles
Circuit de capteur à distance à long terme à longue portée à longue portée
Introduction:
Le capteur à ultrasons PH14F145 a les fonctions de l'émetteur et du récepteur. C'est un type à longue portée, peut généralement être utilisé pour le chercheur à ultrasons, le capteur à ultrasons pour les objets de détection sans contact, le capteur de distance à ultrasons, le capteur de niveau de liquide à ultrasons, etc. Si vous avez des questions pour d'autres applications, veuillez nous contacter pour plus de détails.
Paramètres techniques:
Modèle | PH14F145 |
Fréquence de résonance centrale (kHz) | 14 kHz ± 2,0 kHz |
Bande passante | 1,5 kHz |
Distance de détection | 1,0 ~ 45m |
Angles morts | <1,0 m |
Lancez le faisceau d'angle (total -6 dB) | 15 ± 2 ° |
Sensible | -55 dB min |
Capacité électrostatique | 11000pf ± 20% |
Impédance parallèle minimale | 280Ω ± 30% |
Tension de travail maximale (impulsion - cycle de service de 2%) | 4000vp-p |
Température de fonctionnement | -20 ~ 70 ℃ |
Température de stockage | -40 ~ 85 ℃ |
Niveau de protection | IP65 |
Taille (diamètre * hauteur, mm) | φ140x235 |
Installation | Fixé de vis |
Boîtier | abdos |
Longueur de câble | 3 m (peut être personnalisé) |
Lester | 2,5 kg |
Photo:
Dimension de contour:
Courbe de résistance aux fréquences:
La fréquence-Angle de phase Courbe:
Test de sensibilité:
Tension de transmission: 400VP-P; Période: 50; Distance: 1,5 m
Dirréctivité Curve:
FeATURES DE CAPTEURS ULLURES:
1. Taille et poids léger
2 Sensibilité élevée et pression sonore élevée
3. Consommation d'énergie
4. Fiabilité élevée
Caractéristique:
1. Joint de semblance d'activité (extérieur en PVC couvrant)
2.Condément de thread de confidence (G1 \")
Application:
1. emplacement de position
2. Mesure de l'approche
3. Mesure de la traction
4.Ansexation des obstacles