| État de disponibilité: | |
|---|---|
| Quantité: | |
PH40F0412
Piezohannas
PH40F0412
Transducteur à distance à ultrasons à longue portée de 40 kHz
![]() transducteur à distance à ultrasons | ![]() Capteur de recherche de gamme à ultrasons | ![]() Capteur du transducteur à mesure de distance |
Introduction:
Le capteur à ultrasons PH40F0412 a les fonctions de l'émetteur et du récepteur. C'est un type à longue portée, peut généralement être utilisé pour le chercheur à ultrasons, le capteur à ultrasons pour les objets de détection sans contact, le capteur de distance à ultrasons, le capteur de niveau de liquide à ultrasons, etc. Si vous avez des questions pour d'autres applications, veuillez nous contacter pour plus de détails.
Paramètres techniques:
Modèle | PH40F0412 |
Fréquence de résonance centrale (kHz) | 40 kHz ± 2,0 kHz |
Bande passante | 3,0 kHz |
Distance de détection | 0,4 ~ 12m |
Angles morts | <0,4 m |
Lancez le faisceau d'angle (total -6 dB) | 15 ± 2 ° |
Sensible | -76 dB min |
Capacité électrostatique | 3000pf ± 20% |
Impédance parallèle minimale | 180Ω ± 30% |
Tension de travail maximale (impulsion - cycle de service de 2%) | 1800VP-P |
Température de fonctionnement | -20 ~ 70 ℃ |
Température de stockage | -40 ~ 85 ℃ |
Niveau de protection | Ip66 |
Taille (diamètre * hauteur, mm) | Φ62x63 |
Installation | Fixé de vis |
Boîtier | PVC |
Longueur de câble | 2m (peut être personnalisé) |
Lester | 300 grammes |
Photo:
Dimension de contour:
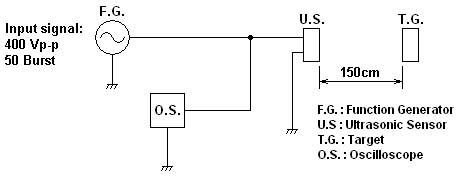
Circuit de test:
Caractéristiques des capteurs à ultrasons:
1. Taille et poids léger
2 Sensibilité élevée et pression sonore élevée
3. Consommation d'énergie
4. Fiabilité élevée
Caractéristique:
Coquille solide (ABS ou alliage en aluminium))
Installation rapide (m20 * 1,5 vis)
Application:
1. emplacement de position
2. Mesure de l'approche
3. Mesure de la traction
4.Ansexation des obstacles
Transducteur à distance à ultrasons à longue portée de 40 kHz
![]() transducteur à distance à ultrasons | ![]() Capteur de recherche de gamme à ultrasons | ![]() Capteur du transducteur à mesure de distance |
Introduction:
Le capteur à ultrasons PH40F0412 a les fonctions de l'émetteur et du récepteur. C'est un type à longue portée, peut généralement être utilisé pour le chercheur à ultrasons, le capteur à ultrasons pour les objets de détection sans contact, le capteur de distance à ultrasons, le capteur de niveau de liquide à ultrasons, etc. Si vous avez des questions pour d'autres applications, veuillez nous contacter pour plus de détails.
Paramètres techniques:
Modèle | PH40F0412 |
Fréquence de résonance centrale (kHz) | 40 kHz ± 2,0 kHz |
Bande passante | 3,0 kHz |
Distance de détection | 0,4 ~ 12m |
Angles morts | <0,4 m |
Lancez le faisceau d'angle (total -6 dB) | 15 ± 2 ° |
Sensible | -76 dB min |
Capacité électrostatique | 3000pf ± 20% |
Impédance parallèle minimale | 180Ω ± 30% |
Tension de travail maximale (impulsion - cycle de service de 2%) | 1800VP-P |
Température de fonctionnement | -20 ~ 70 ℃ |
Température de stockage | -40 ~ 85 ℃ |
Niveau de protection | Ip66 |
Taille (diamètre * hauteur, mm) | Φ62x63 |
Installation | Fixé de vis |
Boîtier | PVC |
Longueur de câble | 2m (peut être personnalisé) |
Lester | 300 grammes |
Photo:
Dimension de contour:
Circuit de test:
Caractéristiques des capteurs à ultrasons:
1. Taille et poids léger
2 Sensibilité élevée et pression sonore élevée
3. Consommation d'énergie
4. Fiabilité élevée
Caractéristique:
Coquille solide (ABS ou alliage en aluminium))
Installation rapide (m20 * 1,5 vis)
Application:
1. emplacement de position
2. Mesure de l'approche
3. Mesure de la traction
4.Ansexation des obstacles